Stehlagereinheit UCPA 200
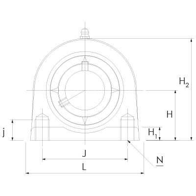
| Description | Main dimensions | Functions | ||
|---|---|---|---|---|
| D | L | H2 | ||
| mm | mm | mm | ||
| SKU | Description | Main dimensions | Functions | ||
|---|---|---|---|---|---|
| D | L | H2 | |||
| mm | mm | mm | |||
| 10060200 | UCPA201 | 12,00 | 76,00 | 62,00 | |
| 10060201 | UCPA202 | 15,00 | 76,00 | 62,00 | |
| 10060202 | UCPA203 | 17,00 | 76,00 | 62,00 | |
| 10060203 | UCPA204 | 20,00 | 76,00 | 62,00 | |
| 10060204 | UCPA205 | 25,00 | 84,00 | 72,00 | |
| 10060205 | UCPA206 | 30,00 | 94,00 | 84,00 | |
| 10060206 | UCPA207 | 35,00 | 110,00 | 95,00 | |
| 10060207 | UCPA208 | 40,00 | 116,00 | 100,00 | |
| 10060208 | UCPA209 | 45,00 | 120,00 | 108,00 | |
| 10060209 | UCPA210 | 50,00 | 130,00 | 116,00 | |
Das könnte Sie auch interessieren.
Catalog
Currently, there isn't a catalog for Stehlager available. Please use our online datasheet.
Service Bulletin
There are no documents for Stehlager published, yet. Please contact your personal sales representative if you have further questions.
Found mistake?
Help us to increase our quality. If you found some mistake in our product datasheets, don't hesitate to contact us.
Networking
Didn't find what you were looking for? Talk to us. With our access to large industrial networks, we have unimaginable possibilities.
DE
EN









