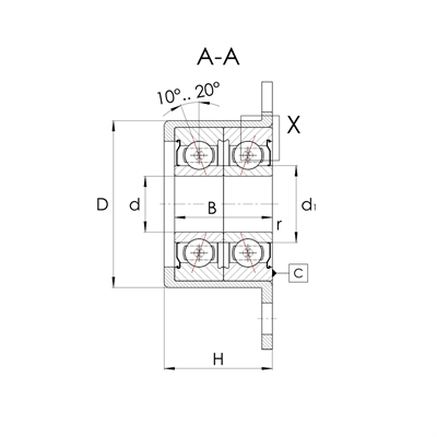
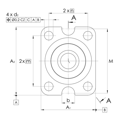
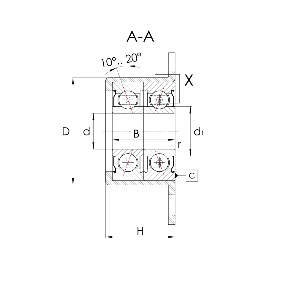
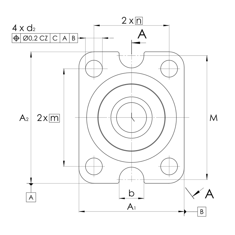
Angular contact ball bearing unit ZKLR
| Description | Main dimensions | Functions | ||
|---|---|---|---|---|
| d | A1 | A2 | ||
| mm | mm | mm | ||
| SKU | Description | Main dimensions | Functions | ||
|---|---|---|---|---|---|
| d | A1 | A2 | |||
| mm | mm | mm | |||
| 10315497 | ZKLR0624-2Z | 6.00 | 24.00 | 35.00 | |
| 10315498 | ZKLR0828-2Z | 8.00 | 28.00 | 35.00 | |
| 10315499 | ZKLR1035-2Z | 10.00 | 35.00 | 35.00 | |
| 10315500 | ZKLR1244-2RS | 12.00 | 44.00 | 50.00 | |
| 10315501 | ZKLR1547-2RS | 15.00 | 47.00 | 51.00 | |
| 10315502 | ZKLR2060-2RS | 20.00 | 60.00 | 60.00 | |
Online Datasheet (Variants, 3D-View)
PDF-Datasheet
Link to shop
Product request
These may also interest you.
Service Bulletin
There are no documents for Bearings for screw drives published, yet. Please contact your personal sales representative if you have further questions.
Found mistake?
Help us to increase our quality. If you found some mistake in our product datasheets, don't hesitate to contact us.
Networking
Didn't find what you were looking for? Talk to us. With our access to large industrial networks, we have unimaginable possibilities.
DE
EN








