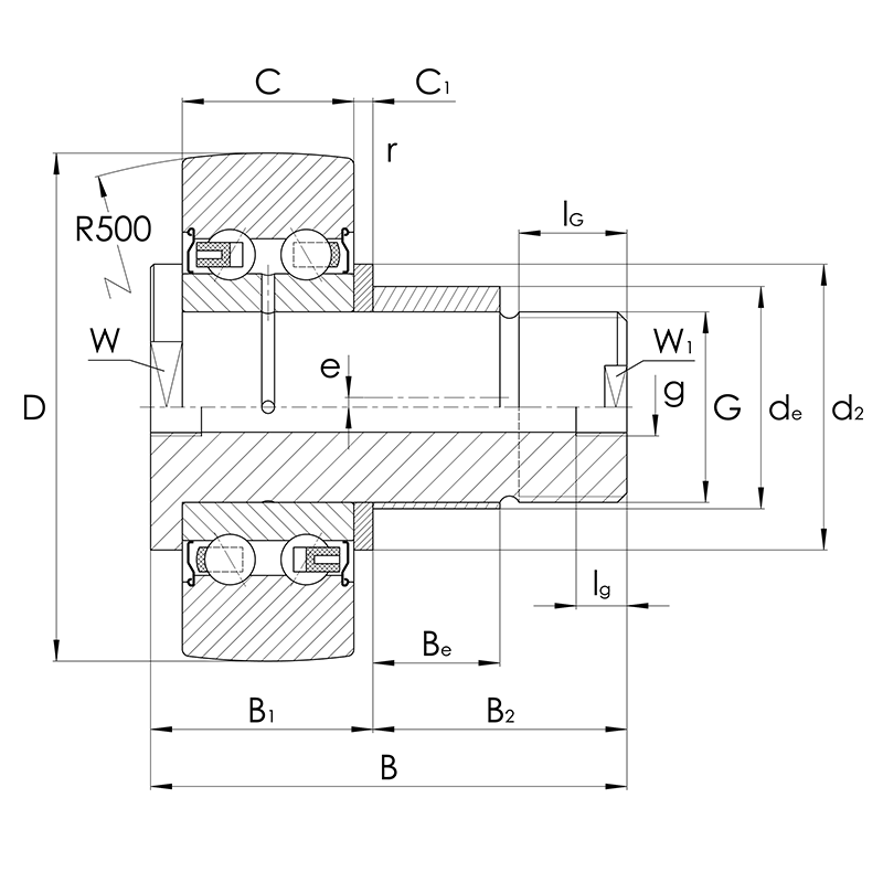
Stud type track roller ZLE..-2Z with eccentric ring fastening, double-row, outer surface (bearing) spherical
| Description | Main dimensions | Functions | ||
|---|---|---|---|---|
| D | C | B | ||
| mm | mm | mm | ||
| SKU | Description | Main dimensions | Functions | ||
|---|---|---|---|---|---|
| D | C | B | |||
| mm | mm | mm | |||
| 10213363 | ZLE5201-2Z | 35.00 | 15.90 | 65.50 | |
| 10213364 | ZLE5202-2Z | 40.00 | 15.90 | 66.50 | |
| 10213365 | ZLE5204-2Z | 52.00 | 20.60 | 76.00 | |
| 10213366 | ZLE5205-2Z | 62.00 | 20.60 | 88.00 | |
| 10213367 | ZLE5207-2Z | 80.00 | 27.00 | 99.00 | |
Online Datasheet (Variants, 3D-View)
PDF-Datasheet
Link to shop
Product request
Please keep in mind that the maximum possible speed of the rollers can be affected by the following factors. These are:
- permissible operating temperature for rollers
- Type of bearing (deep groove ball bearing or angular contact ball bearing)
- Burden
- Lubrication conditions
- Cooling conditions
- used seal
The specified limit speeds serve as a guide value for optimum operating conditions, taking all factors into consideration.
DE
EN








