Подшипник растяжения из нержавеющей стали SSB210
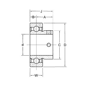
Основные измерения для SSB210
| Обозначение | Измерение | Примечание |
|---|---|---|
| d | 50,00 mm | диаметр вала |
| A | 32,60 mm | |
| B | 10,90 mm | |
| C | 62,20 mm | |
| D | 90,00 mm | Наружный диаметр |
| J | 43,50 mm | |
| W | 20,00 mm | ширина |
Данные о производительности для SSB210
| Обозначение | Измерение | Примечание |
|---|---|---|
| Cr | 35.000 N | динамическая грузоподъемность, радиальная |
| C0r | 23.200 N | статическая грузоподъемность, радиальная |
| NG | 3.400 min-1 | ограничение скорости |
Другие размеры SSB210 ряд SSB200 (12)
| Обозначение | Измерение | Данные о производительности | ||||||||
|---|---|---|---|---|---|---|---|---|---|---|
| d | A | B | C | D | J | W | Cr | C0r | nG | |
| mm | mm | mm | mm | mm | mm | mm | N | N | min-1 | |
| SSB201 | 12,00 | 16,00 | 6,00 | 24,70 | 40,00 | 22,00 | 12,00 | 12.800 | 6.600 | 8.800 |
| SSB202 | 15,00 | 16,00 | 6,00 | 24,70 | 40,00 | 22,00 | 12,00 | 12.800 | 6.600 | 8.800 |
| SSB203 | 17,00 | 16,00 | 6,00 | 24,70 | 40,00 | 22,00 | 12,00 | 12.800 | 6.600 | 8.800 |
| SSB204 | 20,00 | 18,00 | 7,00 | 28,50 | 47,00 | 25,00 | 14,00 | 12.800 | 6.600 | 7.450 |
| SSB205 | 25,00 | 19,50 | 7,50 | 34,00 | 52,00 | 27,00 | 15,00 | 14.000 | 7.800 | 6.250 |
| SSB206 | 30,00 | 22,00 | 8,00 | 40,00 | 62,00 | 30,00 | 16,00 | 19.500 | 11.300 | 5.300 |
| SSB207 | 35,00 | 23,50 | 8,50 | 46,70 | 72,00 | 32,00 | 17,00 | 25.500 | 15.300 | 4.500 |
| SSB208 | 40,00 | 25,00 | 9,00 | 52,70 | 80,00 | 34,00 | 18,00 | 32.500 | 19.800 | 4.000 |
| SSB209 | 45,00 | 31,00 | 10,20 | 57,30 | 85,00 | 38,00 | 19,00 | 32.500 | 20.400 | 3.700 |
| SSB210 | 50,00 | 32,60 | 10,90 | 62,20 | 90,00 | 43,50 | 20,00 | 35.000 | 23.200 | 3.400 |
| SSB211 | 55,00 | 33,50 | 11,80 | 69,80 | 100,00 | 45,30 | 21,00 | 43.500 | 29.000 | 3.100 |
| SSB212 | 60,00 | 38,80 | 14,90 | 76,50 | 110,00 | 53,70 | 22,00 | 52.000 | 36.000 | 2.800 |
Аксессуары SSB210 (0)
Не удалось загрузить больше данных.
Альтернативные бренды для SSB210 (1)
| Имя | Бренд | Веб -магазин | Уведомление |
|---|---|---|---|
| SSB210 | HFH | Премиальное качество, бренд дома |
Особенности продукта для SSB210 (0)
Не удалось загрузить больше данных.
Für dieses Produkt ist ein 3D-Model verfügbar
Наши 3D -модели служат визуальной поддержкой и создаются с большой заботой, а информация проверяется на точность. Однако никакой ответственности не может быть принята ни за какую неверную или неполную информацию. Выпуск Step Files зарезервирован исключительно для корпоративных клиентов. Чтобы запросить файл Step, используйте ссылку на запрос файла Step.
3D WebGL
Шаг-файл
Варианты SSB210 (1)
Все заявления без гарантии. Обратите внимание, что следующие Информация о продукте