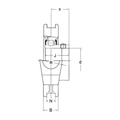
Rolamento de tensão SKL50K
Dimensões principais de acordo com as normas europeias
Principais dimensões para SKL50K
| Designação | Dimensão | Observação |
|---|---|---|
| H | 90,00 mm | |
| A | 149,00 mm | |
| A1 | 86,00 mm | |
| N | 16,00 mm | |
| B | 37,00 mm | |
| J | 55,00 mm | |
| E | 102,00 mm | |
| K | 29,00 mm | |
| M | 19,00 mm | |
| P | 83,00 mm | |
| R | 49,00 mm | |
| G | 16,00 mm |
Dados de desempenho para SKL50K
| Designação | Dimensão | Observação |
|---|---|---|
| 1,800 kg | Peso |
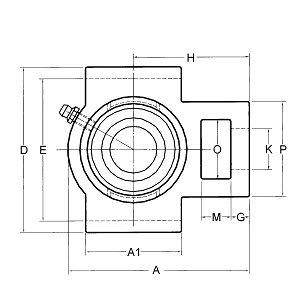
Outros tamanhos de SKL50K Series SKLK (12)
| Designação | Dimensão | Componentes | |||||||||||||||
|---|---|---|---|---|---|---|---|---|---|---|---|---|---|---|---|---|---|
| d | A | A1 | B | D | E | G | H | J | K | M | N | P | R | x | Habitação | Consequência | |
| mm | mm | mm | mm | mm | mm | mm | mm | mm | mm | mm | mm | mm | mm | mm | |||
| SKL25K | - | 97,00 | 51,00 | 24,00 | - | 76,00 | 10,00 | 62,00 | 35,00 | 19,00 | 16,00 | 12,00 | 51,00 | 32,00 | - | GG.SKL04 | UK205 |
| SKL30K | - | 113,00 | 57,00 | 28,00 | - | 89,00 | 10,00 | 70,00 | 38,00 | 22,00 | 16,00 | 12,00 | 56,00 | 37,00 | - | GG.SKL05 | UK206 |
| SKL35K | - | 129,00 | 64,00 | 30,00 | - | 89,00 | 13,00 | 78,00 | 43,00 | 22,00 | 16,00 | 12,00 | 64,00 | 37,00 | - | GG.SKL06 | UK207 |
| SKL40K | - | 144,00 | 83,00 | 33,00 | - | 102,00 | 16,00 | 88,00 | 46,00 | 29,00 | 19,00 | 16,00 | 83,00 | 49,00 | - | GG.SKL07 | UK208 |
| SKL45K | - | 144,00 | 83,00 | 35,00 | - | 102,00 | 16,00 | 87,00 | 50,00 | 29,00 | 19,00 | 16,00 | 83,00 | 49,00 | - | GG.SKL08 | UK209 |
| SKL50K | - | 149,00 | 86,00 | 37,00 | - | 102,00 | 16,00 | 90,00 | 55,00 | 29,00 | 19,00 | 16,00 | 83,00 | 49,00 | - | GG.SKL09 | UK210 |
| SKL55K | - | 171,00 | 95,00 | 38,00 | - | 130,00 | 19,00 | 106,00 | 59,00 | 35,00 | 25,00 | 22,00 | 102,00 | 64,00 | - | GG.SKL10 | UK211 |
| SKL60K | - | 194,00 | 102,00 | 42,00 | - | 130,00 | 19,00 | 119,00 | 62,00 | 35,00 | 32,00 | 22,00 | 102,00 | 64,00 | - | GG.SKL11 | UK212 |
| SKL65K | - | 224,00 | 121,00 | 44,00 | - | 151,00 | 21,00 | 137,00 | 65,00 | 41,00 | 32,00 | 26,00 | 111,00 | 70,00 | - | GG.SKL12 | UK213 |
| SKL75K | - | 232,00 | 121,00 | 48,00 | - | 151,00 | 21,00 | 140,00 | 73,00 | 41,00 | 32,00 | 26,00 | 111,00 | 70,00 | - | GG.SKL13 | UK215 |
| SKL80K | - | 235,00 | 121,00 | 51,00 | - | 165,00 | 21,00 | 140,00 | 78,00 | 41,00 | 32,00 | 26,00 | 111,00 | 70,00 | - | GG.SKL14 | UK216 |
| SKL90K | - | 275,00 | 140,00 | 55,00 | - | 190,00 | 30,00 | 160,00 | 86,00 | 48,00 | 40,00 | 30,00 | 130,00 | 80,00 | - | GG.SKL16 | UK218 |
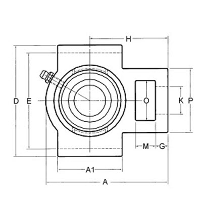
Variantes de SKL50K (6)
| Designação | Dimensão | Componentes | |||||||||||||||
|---|---|---|---|---|---|---|---|---|---|---|---|---|---|---|---|---|---|
| d | A | A1 | B | D | E | G | H | J | K | M | N | P | R | x | Habitação | Consequência | |
| mm | mm | mm | mm | mm | mm | mm | mm | mm | mm | mm | mm | mm | mm | mm | |||
| SKL45 | - | 144,00 | 83,00 | 35,00 | - | 102,00 | 16,00 | 87,00 | 43,70 | 29,00 | 19,00 | 16,00 | 83,00 | 49,00 | 34,20 | GG.SKL09 | SA209 |
| SKL45S | - | 144,00 | 83,00 | 35,00 | - | 102,00 | 16,00 | 87,00 | 41,20 | 29,00 | 19,00 | 16,00 | 83,00 | 49,00 | 31,00 | GG.SKL09 | SB209 |
| SKL45U | - | 144,00 | 83,00 | 35,00 | - | 102,00 | 16,00 | 87,00 | 49,20 | 29,00 | 19,00 | 16,00 | 83,00 | 49,00 | 30,20 | GG.SKL09 | UC209 |
| SKL45A | - | 144,00 | 83,00 | 35,00 | - | 102,00 | 16,00 | 87,00 | 56,30 | 29,00 | 19,00 | 16,00 | 83,00 | 49,00 | 34,90 | GG.SKL09 | HC209 |
| SKL45T | - | 144,00 | 83,00 | 35,00 | - | 102,00 | 16,00 | 87,00 | 56,30 | 29,00 | 19,00 | 16,00 | 83,00 | 49,00 | 34,90 | GG.SKL09 | HC209R3 |
| SKL50K | - | 149,00 | 86,00 | 37,00 | - | 102,00 | 16,00 | 90,00 | 55,00 | 29,00 | 19,00 | 16,00 | 83,00 | 49,00 | - | GG.SKL09 | UK210 |
Acessórios para SKL50K (7)
| Tipo | Designação | Marca | Designação completa |
|---|---|---|---|
| C209 | Gussdeckel (offen) | HFH | C-SKL50K |
| CM209 | Gussdeckel (geschl.) | HFH | CM-SKL50K |
| DBI209 | Kunststoffdeckel (geschl.) | HFH | DBI-SKL50K |
| KASK250-A | Kunststoffdeckel (geschl.) | HFH | KASK-SKL50K-A |
| KASK250-B | Kunststoffdeckel (offen) | HFH | KASK-SKL50K-B |
| S209 | Stahlblechdeckel (offen) | HFH | S-SKL50K |
| SM209 | Stahlblechdeckel (geschl.) | HFH | SM-SKL50K |
Marcas alternativas para SKL50K (1)
| Nome | Marca | WebShop | Perceber |
|---|---|---|---|
| SKL50K | HFH | Qualidade premium, marca de casa |
Recursos do produto para SKL50K (0)
Não foi possível carregar mais dados.
Für dieses Produkt ist ein 3D-Model verfügbar
Nossos modelos 3D servem como suporte visual e são criados com muito cuidado e as informações são verificadas quanto à precisão. No entanto, nenhuma responsabilidade pode ser aceita por informações incorretas ou incompletas. O lançamento de arquivos de etapa é reservado exclusivamente para clientes corporativos. Para solicitar um arquivo de etapa, use o link de solicitação de arquivo de etapa.
3D WebGL
Arquivo de passo
Todas as declarações sem garantia. Observe as seguintes informações do produto