Rolamento de tensão SKL45U
Dimensões principais de acordo com as normas europeias
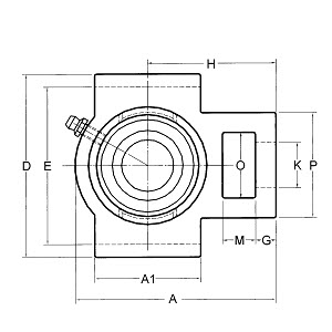
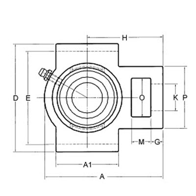
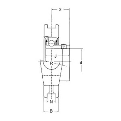
Principais dimensões para SKL45U
| Designação | Dimensão | Observação |
|---|---|---|
| H | 87,00 mm | |
| A | 144,00 mm | |
| A1 | 83,00 mm | |
| N | 16,00 mm | |
| B | 35,00 mm | |
| J | 49,20 mm | |
| E | 102,00 mm | |
| K | 29,00 mm | |
| M | 19,00 mm | |
| P | 83,00 mm | |
| R | 49,00 mm | |
| G | 16,00 mm |
Dados de desempenho para SKL45U
| Designação | Dimensão | Observação |
|---|---|---|
| 1,800 kg | Peso |
Outros tamanhos de SKL45U Series SKLU (15)
| Designação | Dimensão | Componentes | |||||||||||||||
|---|---|---|---|---|---|---|---|---|---|---|---|---|---|---|---|---|---|
| d | A | A1 | B | D | E | G | H | J | K | M | N | P | R | x | Habitação | Consequência | |
| mm | mm | mm | mm | mm | mm | mm | mm | mm | mm | mm | mm | mm | mm | mm | |||
| SKL20U | - | 94,00 | 51,00 | 21,00 | - | 76,00 | 10,00 | 61,00 | 31,00 | 19,00 | 16,00 | 12,00 | 51,00 | 32,00 | 18,30 | GG.SKL04 | UC204 |
| SKL25U | - | 97,00 | 51,00 | 24,00 | - | 76,00 | 10,00 | 62,00 | 34,10 | 19,00 | 16,00 | 12,00 | 51,00 | 32,00 | 19,80 | GG.SKL05 | UC205 |
| SKL30U | - | 113,00 | 57,00 | 28,00 | - | 89,00 | 10,00 | 70,00 | 38,10 | 22,00 | 16,00 | 12,00 | 56,00 | 37,00 | 22,20 | GG.SKL06 | UC206 |
| SKL35U | - | 129,00 | 64,00 | 30,00 | - | 89,00 | 13,00 | 78,00 | 42,90 | 22,00 | 16,00 | 12,00 | 64,00 | 37,00 | 25,40 | GG.SKL07 | UC207 |
| SKL40U | - | 144,00 | 83,00 | 33,00 | - | 102,00 | 16,00 | 88,00 | 49,20 | 29,00 | 19,00 | 16,00 | 83,00 | 49,00 | 30,20 | GG.SKL08 | UC208 |
| SKL45U | - | 144,00 | 83,00 | 35,00 | - | 102,00 | 16,00 | 87,00 | 49,20 | 29,00 | 19,00 | 16,00 | 83,00 | 49,00 | 30,20 | GG.SKL09 | UC209 |
| SKL50U | - | 149,00 | 86,00 | 37,00 | - | 102,00 | 16,00 | 90,00 | 51,60 | 29,00 | 19,00 | 16,00 | 83,00 | 49,00 | 32,60 | GG.SKL10 | UC210 |
| SKL55U | - | 171,00 | 95,00 | 38,00 | - | 130,00 | 19,00 | 106,00 | 55,60 | 35,00 | 25,00 | 22,00 | 102,00 | 64,00 | 33,40 | GG.SKL11 | UC211 |
| SKL60U | - | 194,00 | 102,00 | 42,00 | - | 130,00 | 19,00 | 119,00 | 65,10 | 35,00 | 32,00 | 22,00 | 102,00 | 64,00 | 39,70 | GG.SKL12 | UC212 |
| SKL65U | - | 224,00 | 121,00 | 44,00 | - | 151,00 | 21,00 | 137,00 | 65,10 | 41,00 | 32,00 | 26,00 | 111,00 | 70,00 | 39,70 | GG.SKL13 | UC213 |
| SKL70U | - | 224,00 | 121,00 | 46,00 | - | 151,00 | 21,00 | 137,00 | 74,60 | 41,00 | 32,00 | 26,00 | 111,00 | 70,00 | 44,40 | GG.SKL14 | UC214 |
| SKL75U | - | 232,00 | 121,00 | 48,00 | - | 151,00 | 21,00 | 140,00 | 77,80 | 41,00 | 32,00 | 26,00 | 111,00 | 70,00 | 44,50 | GG.SKL15 | UC215 |
| SKL80U | - | 235,00 | 121,00 | 51,00 | - | 165,00 | 21,00 | 140,00 | 82,60 | 41,00 | 32,00 | 26,00 | 111,00 | 70,00 | 49,30 | GG.SKL16 | UC216 |
| SKL90U | - | 275,00 | 140,00 | 55,00 | - | 190,00 | 30,00 | 160,00 | 96,00 | 48,00 | 40,00 | 30,00 | 130,00 | 80,00 | 51,60 | GG.SKL18 | UC218 |
| SKL100U | - | 295,00 | 160,00 | 60,00 | - | 215,00 | 30,00 | 180,00 | 109,50 | 47,00 | 40,00 | 28,00 | 130,00 | 90,00 | 56,30 | GG.SKL20 | UC220 |
Variantes de SKL45U (6)
| Designação | Dimensão | Componentes | |||||||||||||||
|---|---|---|---|---|---|---|---|---|---|---|---|---|---|---|---|---|---|
| d | A | A1 | B | D | E | G | H | J | K | M | N | P | R | x | Habitação | Consequência | |
| mm | mm | mm | mm | mm | mm | mm | mm | mm | mm | mm | mm | mm | mm | mm | |||
| SKL45 | - | 144,00 | 83,00 | 35,00 | - | 102,00 | 16,00 | 87,00 | 43,70 | 29,00 | 19,00 | 16,00 | 83,00 | 49,00 | 34,20 | GG.SKL09 | SA209 |
| SKL45S | - | 144,00 | 83,00 | 35,00 | - | 102,00 | 16,00 | 87,00 | 41,20 | 29,00 | 19,00 | 16,00 | 83,00 | 49,00 | 31,00 | GG.SKL09 | SB209 |
| SKL45U | - | 144,00 | 83,00 | 35,00 | - | 102,00 | 16,00 | 87,00 | 49,20 | 29,00 | 19,00 | 16,00 | 83,00 | 49,00 | 30,20 | GG.SKL09 | UC209 |
| SKL45A | - | 144,00 | 83,00 | 35,00 | - | 102,00 | 16,00 | 87,00 | 56,30 | 29,00 | 19,00 | 16,00 | 83,00 | 49,00 | 34,90 | GG.SKL09 | HC209 |
| SKL45T | - | 144,00 | 83,00 | 35,00 | - | 102,00 | 16,00 | 87,00 | 56,30 | 29,00 | 19,00 | 16,00 | 83,00 | 49,00 | 34,90 | GG.SKL09 | HC209R3 |
| SKL50K | - | 149,00 | 86,00 | 37,00 | - | 102,00 | 16,00 | 90,00 | 55,00 | 29,00 | 19,00 | 16,00 | 83,00 | 49,00 | - | GG.SKL09 | UK210 |
Acessórios para SKL45U (7)
| Tipo | Designação | Marca | Designação completa |
|---|---|---|---|
| C209 | Gussdeckel (offen) | HFH | C-SKL45U |
| CM209 | Gussdeckel (geschl.) | HFH | CM-SKL45U |
| DBI209 | Kunststoffdeckel (geschl.) | HFH | DBI-SKL45U |
| KASK250-A | Kunststoffdeckel (geschl.) | HFH | KASK-SKL45U-A |
| KASK250-B | Kunststoffdeckel (offen) | HFH | KASK-SKL45U-B |
| S209 | Stahlblechdeckel (offen) | HFH | S-SKL45U |
| SM209 | Stahlblechdeckel (geschl.) | HFH | SM-SKL45U |
Marcas alternativas para SKL45U (1)
| Nome | Marca | WebShop | Perceber |
|---|---|---|---|
| SKL45U | HFH | Qualidade premium, marca de casa |
Recursos do produto para SKL45U (0)
Não foi possível carregar mais dados.
Für dieses Produkt ist ein 3D-Model verfügbar
Nossos modelos 3D servem como suporte visual e são criados com muito cuidado e as informações são verificadas quanto à precisão. No entanto, nenhuma responsabilidade pode ser aceita por informações incorretas ou incompletas. O lançamento de arquivos de etapa é reservado exclusivamente para clientes corporativos. Para solicitar um arquivo de etapa, use o link de solicitação de arquivo de etapa.
3D WebGL
Arquivo de passo
Todas as declarações sem garantia. Observe as seguintes informações do produto