Cuscinetto di tensione SPK35K
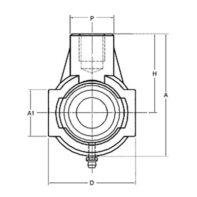
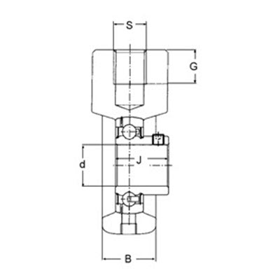
Dimensioni principali secondo gli standard europei
Dimensioni principali per SPK35K
| Designazione | Dimensione | Osservazione |
|---|---|---|
| d | 30,00 mm | Diametro dell'albero |
| H | 76,00 mm | |
| A | 122,00 mm | |
| A1 | 49,00 mm | |
| B | 32,00 mm | |
| S | M 24 mm | |
| J | 43,00 mm | |
| D | 90,00 mm | |
| P | 40,00 mm | |
| S | M 24 | |
| G | 24,00 mm |
Dati delle prestazioni per SPK35K
| Designazione | Dimensione | Osservazione |
|---|---|---|
| 24 | Viti di fissaggio (non incluse nella consegna) | |
| 0,850 kg | ll peso |
Altre dimensioni di SPK35K serie SPKK (7)
| Designazione | Dimensione | Componenti | |||||||||||||||
|---|---|---|---|---|---|---|---|---|---|---|---|---|---|---|---|---|---|
| d | A | A1 | B | D | G | H | J | P | S | Alloggiamento | Cuscinetto | ||||||
| mm | mm | mm | mm | mm | mm | mm | mm | mm | |||||||||
| SPK25K | 20,00 | 99,00 | 38,00 | 28,00 | 70,00 | 22,00 | 64,00 | 35,00 | 35,00 | M 20 | GG.SPK05 | UK205 | |||||
| SPK30K | 25,00 | 114,00 | 40,00 | 32,00 | 85,00 | 24,00 | 72,00 | 38,00 | 40,00 | M 24 | GG.SPK06 | UK206 | |||||
| SPK35K | 30,00 | 122,00 | 49,00 | 32,00 | 90,00 | 24,00 | 76,00 | 43,00 | 40,00 | M 24 | GG.SPK07 | UK207 | |||||
| SPK40K | 35,00 | 135,00 | 45,00 | 36,00 | 100,00 | 24,00 | 85,00 | 46,00 | 40,00 | M 24 | GG.SPK08 | UK208 | |||||
| SPK45K | 40,00 | 145,00 | 46,00 | 40,00 | 110,00 | 24,00 | 90,00 | 50,00 | 40,00 | M 24 | GG.SPK09 | UK209 | |||||
| SPK50K | 45,00 | 145,00 | 46,00 | 40,00 | 110,00 | 24,00 | 90,00 | 55,00 | 40,00 | M 24 | GG.SPK10 | UK210 | |||||
| SPK60K | 55,00 | 175,00 | 51,00 | 42,00 | 143,00 | 24,00 | 104,00 | 62,00 | 61,00 | M 24 | GG.SPK12 | UK212 | |||||
Varianti di SPK35K (6)
| Designazione | Dimensione | Componenti | |||||||||||||||
|---|---|---|---|---|---|---|---|---|---|---|---|---|---|---|---|---|---|
| d | A | A1 | B | D | G | H | J | P | S | Alloggiamento | Cuscinetto | ||||||
| mm | mm | mm | mm | mm | mm | mm | mm | mm | |||||||||
| SPK30 | 30,00 | 114,00 | 40,00 | 32,00 | 85,00 | 24,00 | 72,00 | 35,70 | 40,00 | M 24 | GG.SPK06 | SA206 | |||||
| SPK30S | 30,00 | 114,00 | 40,00 | 32,00 | 85,00 | 24,00 | 72,00 | 30,00 | 40,00 | M 24 | GG.SPK06 | SB206 | |||||
| SPK30U | 30,00 | 114,00 | 40,00 | 32,00 | 85,00 | 24,00 | 72,00 | 38,10 | 40,00 | M 24 | GG.SPK06 | UC206 | |||||
| SPK30A | 30,00 | 114,00 | 40,00 | 32,00 | 85,00 | 24,00 | 72,00 | 48,40 | 40,00 | M 24 | GG.SPK06 | HC206 | |||||
| SPK30T | 30,00 | 114,00 | 40,00 | 32,00 | 85,00 | 24,00 | 72,00 | 48,40 | 40,00 | M 24 | GG.SPK06 | HC206R3 | |||||
| SPK35K | 30,00 | 122,00 | 49,00 | 32,00 | 90,00 | 24,00 | 76,00 | 43,00 | 40,00 | M 24 | GG.SPK07 | UK207 | |||||
Marchi alternativi per SPK35K (1)
| Nome | Marca | Webshop | Avviso |
|---|---|---|---|
| SPK35K | HFH | Di qualità premium, marchio di casa |
Caratteristiche del prodotto per SPK35K (0)
Non è stato possibile caricare altri dati.
Für dieses Produkt ist ein 3D-Model verfügbar
I nostri modelli 3D fungono da supporto visivo e sono creati con grande cura e le informazioni sono verificate per l'accuratezza. Tuttavia, nessuna responsabilità può essere accettata per informazioni errate o incomplete. Il rilascio di file Step è riservato esclusivamente per i clienti aziendali. Per richiedere un file di passaggio, utilizzare il collegamento della richiesta del file Step.
3D WebGL
Fase-file
Tutte le dichiarazioni senza garanzia. Si prega di notare quanto segueInformazioni sul prodotto