Cuscinetto di tensione SPK30S
Dimensioni principali secondo gli standard europei
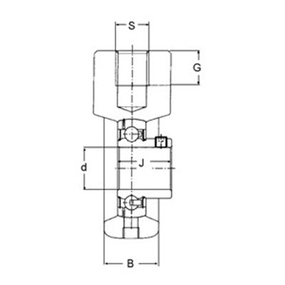
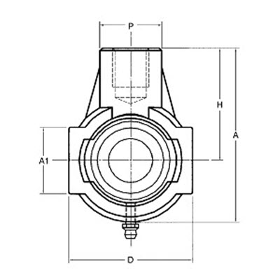
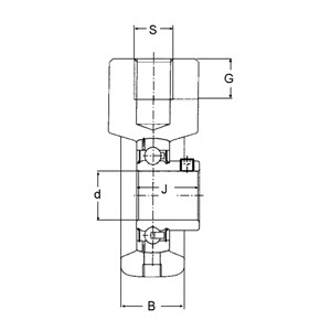
Dimensioni principali per SPK30S
| Designazione | Dimensione | Osservazione |
|---|---|---|
| d | 30,00 mm | Diametro dell'albero |
| H | 72,00 mm | |
| A | 114,00 mm | |
| A1 | 40,00 mm | |
| B | 32,00 mm | |
| S | M 24 mm | |
| J | 30,00 mm | |
| D | 85,00 mm | |
| P | 40,00 mm | |
| S | M 24 | |
| G | 24,00 mm |
Dati delle prestazioni per SPK30S
| Designazione | Dimensione | Osservazione |
|---|---|---|
| 24 | Viti di fissaggio (non incluse nella consegna) | |
| 0,800 kg | ll peso |
Altre dimensioni di SPK30S serie SPKS (8)
| Designazione | Dimensione | Componenti | |||||||||||||||
|---|---|---|---|---|---|---|---|---|---|---|---|---|---|---|---|---|---|
| d | A | A1 | B | D | G | H | J | P | S | Alloggiamento | Cuscinetto | ||||||
| mm | mm | mm | mm | mm | mm | mm | mm | mm | |||||||||
| SPK20S | 20,00 | 91,00 | 38,00 | 25,00 | 65,00 | 21,00 | 58,00 | 25,00 | 33,00 | M 16 | GG.SPK04 | SB204 | |||||
| SPK25S | 25,00 | 99,00 | 38,00 | 28,00 | 70,00 | 22,00 | 64,00 | 27,00 | 35,00 | M 20 | GG.SPK05 | SB205 | |||||
| SPK30S | 30,00 | 114,00 | 40,00 | 32,00 | 85,00 | 24,00 | 72,00 | 30,00 | 40,00 | M 24 | GG.SPK06 | SB206 | |||||
| SPK35S | 35,00 | 122,00 | 49,00 | 32,00 | 90,00 | 24,00 | 76,00 | 32,00 | 40,00 | M 24 | GG.SPK07 | SB207 | |||||
| SPK40S | 40,00 | 135,00 | 45,00 | 36,00 | 100,00 | 24,00 | 85,00 | 34,00 | 40,00 | M 24 | GG.SPK08 | SB208 | |||||
| SPK45S | 45,00 | 145,00 | 46,00 | 40,00 | 110,00 | 24,00 | 90,00 | 41,20 | 40,00 | M 24 | GG.SPK09 | SB209 | |||||
| SPK50S | 50,00 | 145,00 | 46,00 | 40,00 | 110,00 | 24,00 | 90,00 | 43,50 | 40,00 | M 24 | GG.SPK10 | SB210 | |||||
| SPK60S | 60,00 | 175,00 | 51,00 | 42,00 | 143,00 | 24,00 | 104,00 | 53,70 | 61,00 | M 24 | GG.SPK12 | SB212 | |||||
Varianti di SPK30S (6)
| Designazione | Dimensione | Componenti | |||||||||||||||
|---|---|---|---|---|---|---|---|---|---|---|---|---|---|---|---|---|---|
| d | A | A1 | B | D | G | H | J | P | S | Alloggiamento | Cuscinetto | ||||||
| mm | mm | mm | mm | mm | mm | mm | mm | mm | |||||||||
| SPK30 | 30,00 | 114,00 | 40,00 | 32,00 | 85,00 | 24,00 | 72,00 | 35,70 | 40,00 | M 24 | GG.SPK06 | SA206 | |||||
| SPK30S | 30,00 | 114,00 | 40,00 | 32,00 | 85,00 | 24,00 | 72,00 | 30,00 | 40,00 | M 24 | GG.SPK06 | SB206 | |||||
| SPK30U | 30,00 | 114,00 | 40,00 | 32,00 | 85,00 | 24,00 | 72,00 | 38,10 | 40,00 | M 24 | GG.SPK06 | UC206 | |||||
| SPK30A | 30,00 | 114,00 | 40,00 | 32,00 | 85,00 | 24,00 | 72,00 | 48,40 | 40,00 | M 24 | GG.SPK06 | HC206 | |||||
| SPK30T | 30,00 | 114,00 | 40,00 | 32,00 | 85,00 | 24,00 | 72,00 | 48,40 | 40,00 | M 24 | GG.SPK06 | HC206R3 | |||||
| SPK35K | 30,00 | 122,00 | 49,00 | 32,00 | 90,00 | 24,00 | 76,00 | 43,00 | 40,00 | M 24 | GG.SPK07 | UK207 | |||||
Marchi alternativi per SPK30S (1)
| Nome | Marca | Webshop | Avviso |
|---|---|---|---|
| SPK30S | HFH | Di qualità premium, marchio di casa |
Caratteristiche del prodotto per SPK30S (0)
Non è stato possibile caricare altri dati.
Für dieses Produkt ist ein 3D-Model verfügbar
I nostri modelli 3D fungono da supporto visivo e sono creati con grande cura e le informazioni sono verificate per l'accuratezza. Tuttavia, nessuna responsabilità può essere accettata per informazioni errate o incomplete. Il rilascio di file Step è riservato esclusivamente per i clienti aziendali. Per richiedere un file di passaggio, utilizzare il collegamento della richiesta del file Step.
3D WebGL
Fase-file
Tutte le dichiarazioni senza garanzia. Si prega di notare quanto segueInformazioni sul prodotto