Pillow block for SL05 and SL06 GG51560
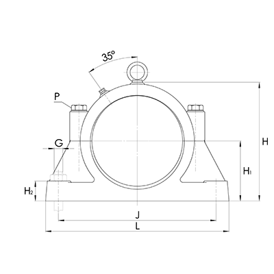
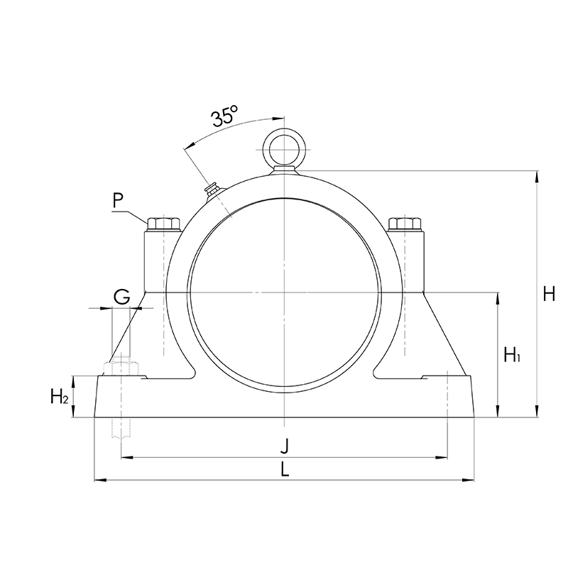
Main dimensions for GG51560
| Designation | Dimension | Remark |
|---|---|---|
| KJ7 | 560.00 mm | spherical inner diameter of the housing |
| 380.00 mm | Shaft diameter (with installed bearings | |
| H | 690.00 mm | height |
| H1 | 345.00 mm | center height |
| H2 | 110.00 mm | Height of case foot |
| L | 1,040.00 mm | Total width (mounting foot) |
| J | 900.00 mm | Hole center distance (middle - middle) |
| J1 | 220.00 mm | |
| A | 340.00 mm | Depth of mounting foot |
| W | 49.00 mm | Mounting hole length |
| W1 | 60.00 mm | Width hole length |
| e | 25.00 mm |
Performance data for GG51560
| Designation | Dimension | Remark |
|---|---|---|
| AM 16x1,5 | Flat grease nipple DIN 3404 | |
| M30 | Eyebolt DIN 580 | |
| P | M42x260 | Connecting screw DIN 931, strength class 8.8 |
| 2,200 Nm | tightening torque | |
| G | M42 | Fastening screws DIN 931, strength class 8.8 |
| 2,200 Nm | tightening torque | |
| 459.000 kg | Weight |
Other sizes of GG51560 series GG51 (23)
| Designation | Dimension | |||||||||||||
|---|---|---|---|---|---|---|---|---|---|---|---|---|---|---|
| K | d | H | H1 | H2 | L | J | J1 | A | W | W1 | f | g | e | |
| mm | mm | mm | mm | mm | mm | mm | mm | mm | mm | mm | mm | mm | mm | |
| GG51120 | 120,00 | 80,00 | 142,00 | 70,00 | 25,00 | 260,00 | 220,00 | - | 70,00 | 18,00 | 21,00 | 13,00 | 16,00 | 12,00 |
| GG51140 | 140,00 | 90,00 | 175,00 | 90,00 | 30,00 | 290,00 | 245,00 | - | 80,00 | 18,00 | 21,00 | 13,00 | 20,00 | 12,00 |
| GG51150 | 150,00 | 100,00 | 185,00 | 95,00 | 40,00 | 330,00 | 280,00 | - | 85,00 | 22,00 | 26,00 | 15,00 | 20,00 | 12,00 |
| GG51170 | 170,00 | 110,00 | 208,00 | 105,00 | 45,00 | 350,00 | 300,00 | - | 90,00 | 22,00 | 26,00 | 15,00 | 22,00 | 12,00 |
| GG51180 | 180,00 | 120,00 | 220,00 | 110,00 | 45,00 | 360,00 | 310,00 | - | 90,00 | 22,00 | 26,00 | 15,00 | 22,00 | 12,00 |
| GG51200 | 200,00 | 130,00 | 245,00 | 125,00 | 50,00 | 420,00 | 360,00 | - | 115,00 | 26,00 | 32,00 | 20,00 | 27,00 | 16,00 |
| GG51210 | 210,00 | 140,00 | 255,00 | 130,00 | 50,00 | 440,00 | 375,00 | - | 120,00 | 26,00 | 32,00 | 20,00 | 27,00 | 16,00 |
| GG51225 | 225,00 | 150,00 | 275,00 | 140,00 | 60,00 | 460,00 | 390,00 | - | 130,00 | 26,00 | 32,00 | 25,00 | 32,00 | 16,00 |
| GG51240 | 240,00 | 160,00 | 295,00 | 150,00 | 60,00 | 475,00 | 405,00 | - | 140,00 | 26,00 | 32,00 | 25,00 | 32,00 | 16,00 |
| GG51260 | 260,00 | 170,00 | 325,00 | 160,00 | 60,00 | 525,00 | 445,00 | - | 150,00 | 35,00 | 40,00 | 25,00 | 35,00 | 20,00 |
| GG51280 | 280,00 | 180,00 | 350,00 | 175,00 | 65,00 | 540,00 | 460,00 | - | 160,00 | 35,00 | 40,00 | 30,00 | 37,00 | 20,00 |
| GG51290 | 290,00 | 190,00 | 360,00 | 180,00 | 65,00 | 575,00 | 495,00 | - | 170,00 | 35,00 | 40,00 | 30,00 | 40,00 | 20,00 |
| GG51310 | 310,00 | 200,00 | 380,00 | 190,00 | 70,00 | 605,00 | 520,00 | - | 180,00 | 35,00 | 40,00 | 30,00 | 40,00 | 20,00 |
| GG51340 | 340,00 | 220,00 | 415,00 | 210,00 | 70,00 | 640,00 | 550,00 | 115,00 | 190,00 | 35,00 | 45,00 | 25,00 | 95,00 | 20,00 |
| GG51360 | 360,00 | 240,00 | 445,00 | 230,00 | 75,00 | 670,00 | 575,00 | 130,00 | 210,00 | 35,00 | 45,00 | 25,00 | 100,00 | 20,00 |
| GG51400 | 400,00 | 260,00 | 495,00 | 250,00 | 80,00 | 720,00 | 630,00 | 150,00 | 230,00 | 35,00 | 45,00 | - | - | 20,00 |
| GG51420 | 420,00 | 280,00 | 520,00 | 260,00 | 80,00 | 760,00 | 665,00 | 150,00 | 230,00 | 35,00 | 45,00 | - | - | 20,00 |
| GG51460 | 460,00 | 300,00 | 560,00 | 280,00 | 85,00 | 810,00 | 715,00 | 170,00 | 250,00 | 35,00 | 45,00 | - | - | 20,00 |
| GG51480 | 480,00 | 320,00 | 580,00 | 290,00 | 85,00 | 860,00 | 750,00 | 170,00 | 260,00 | 42,00 | 55,00 | - | - | 20,00 |
| GG51520 | 520,00 | 340,00 | 640,00 | 320,00 | 100,00 | 950,00 | 830,00 | 200,00 | 300,00 | 42,00 | 55,00 | - | - | 25,00 |
| GG51540 | 540,00 | 360,00 | 670,00 | 335,00 | 110,00 | 990,00 | 870,00 | 220,00 | 320,00 | 42,00 | 55,00 | - | - | 25,00 |
| GG51560 | 560,00 | 380,00 | 690,00 | 345,00 | 110,00 | 1.040,00 | 900,00 | 220,00 | 340,00 | 49,00 | 60,00 | - | - | 25,00 |
| GG51600 | 600,00 | 400,00 | 740,00 | 370,00 | 120,00 | 1.130,00 | 990,00 | 240,00 | 360,00 | 49,00 | 60,00 | - | - | 25,00 |
Variants of GG51560 (1)
| Designation | Dimension | |||||||||||||
|---|---|---|---|---|---|---|---|---|---|---|---|---|---|---|
| K | d | H | H1 | H2 | L | J | J1 | A | W | W1 | f | g | e | |
| mm | mm | mm | mm | mm | mm | mm | mm | mm | mm | mm | mm | mm | mm | |
| GG51560 | 560,00 | 380,00 | 690,00 | 345,00 | 110,00 | 1.040,00 | 900,00 | 220,00 | 340,00 | 49,00 | 60,00 | - | - | 25,00 |
Accessories to GG51560 (28)
| Type | Designation | Brand | Full designation |
|---|---|---|---|
| SL05076-E | Двухрядный цилиндрический роликоподшипник, фиксированный подшипник, полный комплект | HFH | Двухрядный цилиндрический роликоподшипник, фиксированный подшипник, полный комплект SL05076-E |
| SL05076-E | Roulement à rouleaux cylindriques à deux rangées, palier fixe, complément complet | HFH | Roulement à rouleaux cylindriques à deux rangées, palier fixe, complément complet SL05076-E |
| SL05076-E | Rolamento de rolos cilíndricos de carreira dupla, rolamento fixo, conjunto completo | HFH | Rolamento de rolos cilíndricos de carreira dupla, rolamento fixo, conjunto completo SL05076-E |
| SL05076-E | Kétsoros hengergörgős csapágy, fix csapágy, teljes komplett | HFH | Kétsoros hengergörgős csapágy, fix csapágy, teljes komplett SL05076-E |
| SL05076-E | Dubbelrijig cilindrisch rollager, vast lager, volledige aanvulling | HFH | Dubbelrijig cilindrisch rollager, vast lager, volledige aanvulling SL05076-E |
| SL05076-E | Dvouřadé válečkové ložisko, pevné ložisko, plný počet | HFH | Dvouřadé válečkové ložisko, pevné ložisko, plný počet SL05076-E |
| SL05076-E | Rodamiento de rodillos cilíndricos de dos hileras, rodamiento fijo, complemento completo | HFH | Rodamiento de rodillos cilíndricos de dos hileras, rodamiento fijo, complemento completo SL05076-E |
| SL05076-E | Łożysko walcowe dwurzędowe, łożysko stałe, pełna liczba elementów tocznych | HFH | Łożysko walcowe dwurzędowe, łożysko stałe, pełna liczba elementów tocznych SL05076-E |
| SL05076-E | Kaksirivinen lieriörullalaakeri, kiinteä laakeri, täysi täydennys | HFH | Kaksirivinen lieriörullalaakeri, kiinteä laakeri, täysi täydennys SL05076-E |
| SL05076-E | Dubbelradigt cylindriskt rullager, fast lager, komplett komplement | HFH | Dubbelradigt cylindriskt rullager, fast lager, komplett komplement SL05076-E |
| SL05076-E | Dobbeltrads sylindrisk rullelager, fast lager, komplett komplement | HFH | Dobbeltrads sylindrisk rullelager, fast lager, komplett komplement SL05076-E |
| SL05076-E | Дворядний циліндричний роликовий підшипник, фіксований підшипник, повний комплект | HFH | Дворядний циліндричний роликовий підшипник, фіксований підшипник, повний комплект SL05076-E |
| SL05076-E | Dobbeltrækket cylindrisk rulleleje, fast leje, fuld komplement | HFH | Dobbeltrækket cylindrisk rulleleje, fast leje, fuld komplement SL05076-E |
| SL05076-E | Cuscinetto a due corone di rulli cilindrici, cuscinetto fisso, pieno riempimento | HFH | Cuscinetto a due corone di rulli cilindrici, cuscinetto fisso, pieno riempimento SL05076-E |
| SL06076-E | Rodamiento de rodillos cilíndricos de dos hileras, rodamiento libre, dotación completa | HFH | Rodamiento de rodillos cilíndricos de dos hileras, rodamiento libre, dotación completa SL06076-E |
| SL06076-E | Kaksirivinen sylinterimäinen rullalaakeri, ei-paikannettava laakeri, täysi täydennys | HFH | Kaksirivinen sylinterimäinen rullalaakeri, ei-paikannettava laakeri, täysi täydennys SL06076-E |
| SL06076-E | Rolamento de duas carreiras de rolos cilíndricos, rolamento livre, conjunto completo | HFH | Rolamento de duas carreiras de rolos cilíndricos, rolamento livre, conjunto completo SL06076-E |
| SL06076-E | Дворядний циліндричний роликовий підшипник, нерозташований підшипник, повний комплект | HFH | Дворядний циліндричний роликовий підшипник, нерозташований підшипник, повний комплект SL06076-E |
| SL06076-E | Dvouřadé válečkové ložisko, axiální ložisko, plný počet | HFH | Dvouřadé válečkové ložisko, axiální ložisko, plný počet SL06076-E |
| SL06076-E | Cuscinetto a due corone di rulli cilindrici, cuscinetto libero, a pieno riempimento | HFH | Cuscinetto a due corone di rulli cilindrici, cuscinetto libero, a pieno riempimento SL06076-E |
| SL06076-E | Двухрядный цилиндрический роликоподшипник, плавающий подшипник, полнокомплектный | HFH | Двухрядный цилиндрический роликоподшипник, плавающий подшипник, полнокомплектный SL06076-E |
| SL06076-E | Kétsoros hengergörgős csapágy, nem behelyezhető csapágy, teljes kiegészítés | HFH | Kétsoros hengergörgős csapágy, nem behelyezhető csapágy, teljes kiegészítés SL06076-E |
| SL06076-E | Łożysko walcowe dwurzędowe, łożysko swobodne, pełna liczba elementów tocznych | HFH | Łożysko walcowe dwurzędowe, łożysko swobodne, pełna liczba elementów tocznych SL06076-E |
| SL06076-E | Dubbelradigt cylindriskt rullager, icke-placerande lager, komplett komplement | HFH | Dubbelradigt cylindriskt rullager, icke-placerande lager, komplett komplement SL06076-E |
| SL06076-E | Dobbeltrads sylindrisk rullelager, ikke-lokaliserende lager, komplett komplement | HFH | Dobbeltrads sylindrisk rullelager, ikke-lokaliserende lager, komplett komplement SL06076-E |
| SL06076-E | Dobbeltrækket cylindrisk rulleleje, ikke-placerende leje, fuld komplement | HFH | Dobbeltrækket cylindrisk rulleleje, ikke-placerende leje, fuld komplement SL06076-E |
| SL06076-E | Roulement à rouleaux cylindriques à deux rangées, palier libre, joint complet | HFH | Roulement à rouleaux cylindriques à deux rangées, palier libre, joint complet SL06076-E |
| SL06076-E | Dubbelrijig cilindrisch rollager, niet-lokaliserend lager, volledige aanvulling | HFH | Dubbelrijig cilindrisch rollager, niet-lokaliserend lager, volledige aanvulling SL06076-E |
Product features for GG51560 (0)
No more data could be loaded.
Für dieses Produkt ist ein 3D-Model verfügbar
Our 3D models serve as visual support and are created with great care and the information is checked for accuracy. However, no liability can be accepted for any incorrect or incomplete information. The release of step files is reserved exclusively for corporate customers. To request a step file, please use the step file request link.
3D WebGL
Step-file
Variants of GG51560 (1)
All statements without guarantee. Please note the following product information