Flanschlager FWSN50K
Hauptabmessungen nach europäischem Standard
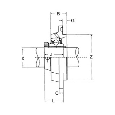
Hauptabmessungen für FWSN50K
| Bezeichnung | Abmessungen | Bemerkung |
|---|---|---|
| d | 45,00 mm | Wellendurchmesser |
| L | 31,50 mm | |
| A | 165,00 mm | |
| B | 28,00 mm | |
| J | 55,00 mm | |
| E | 136,00 mm | |
| C | 13,00 mm | |
| s | 14,00 mm | |
| G | 4,00 mm | |
| Z | 115,00 mm |
Leistungsdaten für FWSN50K
| Bezeichnung | Abmessungen | Bemerkung |
|---|---|---|
| 1,600 kg | Gewicht |
Weitere Größen für FWSN50K Baureihe FWSNK (11)
| Bezeichnung | Abmessungen | Komponenten | ||||||||||
|---|---|---|---|---|---|---|---|---|---|---|---|---|
| d | A | B | C | E | G | Z | J | L | s | Gehäuse | Lager | |
| mm | mm | mm | mm | mm | mm | mm | mm | mm | mm | |||
| FWSN25K | 20,00 | 115,00 | 22,00 | 9,00 | 92,00 | 3,00 | 75,00 | 35,00 | 24,00 | 9,00 | GG.FWSN05 | UK205 |
| FWSN30K | 25,00 | 127,00 | 22,50 | 9,50 | 105,00 | 3,00 | 85,00 | 38,00 | 25,50 | 9,00 | GG.FWSN06 | UK206 |
| FWSN35K | 30,00 | 135,00 | 22,50 | 10,00 | 110,00 | 4,00 | 90,00 | 43,00 | 26,00 | 11,50 | GG.FWSN07 | UK207 |
| FWSN40K | 35,00 | 145,00 | 26,00 | 11,50 | 120,00 | 4,00 | 100,00 | 46,00 | 28,50 | 11,50 | GG.FWSN08 | UK208 |
| FWSN45K | 40,00 | 155,00 | 26,50 | 12,00 | 130,00 | 4,00 | 105,00 | 50,00 | 30,00 | 14,00 | GG.FWSN09 | UK209 |
| FWSN50K | 45,00 | 165,00 | 28,00 | 13,00 | 136,00 | 4,00 | 115,00 | 55,00 | 31,50 | 14,00 | GG.FWSN10 | UK210 |
| FWSN55K | 50,00 | 185,00 | 43,00 | 15,00 | 150,00 | 12,00 | 125,00 | 59,00 | 25,50 | 14,00 | GG.FWSN11 | UK211 |
| FWSN60K | 55,00 | 195,00 | 33,00 | 16,00 | 165,00 | 4,00 | 140,00 | 62,00 | 38,00 | 14,00 | GG.FWSN12 | UK212 |
| FWSN65K | 60,00 | 205,00 | 50,00 | 15,00 | 170,00 | 14,00 | 145,00 | 65,00 | 28,50 | 18,00 | GG.FWSN13 | UK213 |
| FWSN75K | 65,00 | 220,00 | 56,00 | 18,00 | 184,00 | 16,00 | 160,00 | 73,00 | 30,50 | 18,00 | GG.FWSN15 | UK215 |
| FWSN80K | 70,00 | 240,00 | 58,00 | 18,00 | 200,00 | 18,00 | 170,00 | 78,00 | 31,00 | 18,00 | GG.FWSN16 | UK216 |
Varianten von FWSN50K (6)
| Bezeichnung | Abmessungen | Komponenten | ||||||||||
|---|---|---|---|---|---|---|---|---|---|---|---|---|
| d | A | B | C | E | G | Z | J | L | s | Gehäuse | Lager | |
| mm | mm | mm | mm | mm | mm | mm | mm | mm | mm | |||
| FWSN45 | 45,00 | 155,00 | 26,50 | 12,00 | 130,00 | 4,00 | 105,00 | 43,70 | 40,10 | 14,00 | GG.FWSN09 | SA209 |
| FWSN45U | 45,00 | 155,00 | 26,50 | 12,00 | 130,00 | 4,00 | 105,00 | 49,20 | 37,70 | 14,00 | GG.FWSN09 | UC209 |
| FWSN45A | 45,00 | 155,00 | 26,50 | 12,00 | 130,00 | 4,00 | 105,00 | 56,30 | 42,50 | 14,00 | GG.FWSN09 | HC209 |
| FWSN45T | 45,00 | 155,00 | 26,50 | 12,00 | 130,00 | 4,00 | 105,00 | 56,30 | 42,50 | 14,00 | GG.FWSN09 | HC209R3 |
| FWSN50K | 45,00 | 165,00 | 28,00 | 13,00 | 136,00 | 4,00 | 115,00 | 55,00 | 31,50 | 14,00 | GG.FWSN10 | UK210 |
| FWSN45S | 45,00 | 155,00 | 26,50 | 12,00 | 130,00 | 4,00 | 105,00 | 41,20 | 37,70 | 14,00 | GG.FWSN09 | SB209 |
Zubehör für FWSN50K (0)
Es konnten keine weiteren Daten geladen werden.
Alternative Fabrikate für FWSN50K (1)
| Bezeichnung | Fabrikat | Webshop | Bemerkung |
|---|---|---|---|
| FWSN50K | HFH | Premium-Qualität, Hausmarke |
Eigenschaften für FWSN50K (0)
Es konnten keine weiteren Daten geladen werden.
Für dieses Produkt ist ein 3D-Model verfügbar
Unsere 3D-Modelle dienen als visuelle Unterstützung und werden mit großer sorgfalt erstellt und die Angaben auf Richtigkeit überprüft. Für etwaige fehlerhafte oder unvollständige Angaben kann jedoch keine Haftung übernommen werden.
Die Herausgabe von Stepdateien ist ausschließlich Unternehmenskunden vorbehalten. Um eine Stepdatei anzufragen nutzen Sie bitte den Link für die Stepdatei-Anfrage.
3D WebGL
Step-Datei
Alle Angaben ohne Gewähr. Bitte beachten Sie folgende Produkthinweise