Flanschlager FWSN45A
Hauptabmessungen nach europäischem Standard
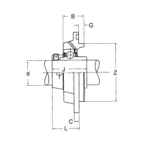
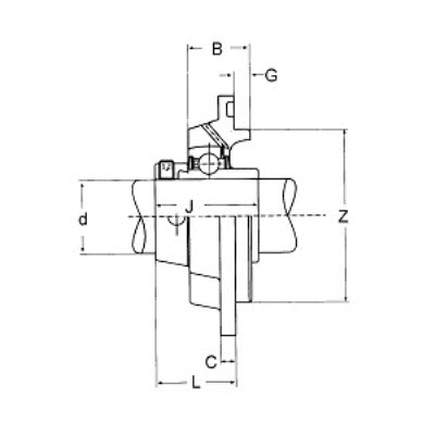
Hauptabmessungen für FWSN45A
| Bezeichnung | Abmessungen | Bemerkung |
|---|---|---|
| d | 45,00 mm | Wellendurchmesser |
| L | 42,50 mm | |
| A | 155,00 mm | |
| B | 26,50 mm | |
| J | 56,30 mm | |
| E | 130,00 mm | |
| C | 12,00 mm | |
| s | 14,00 mm | |
| G | 4,00 mm | |
| Z | 105,00 mm |
Leistungsdaten für FWSN45A
| Bezeichnung | Abmessungen | Bemerkung |
|---|---|---|
| 1,400 kg | Gewicht |
Weitere Größen für FWSN45A Baureihe FWSNA (13)
| Bezeichnung | Abmessungen | Komponenten | ||||||||||
|---|---|---|---|---|---|---|---|---|---|---|---|---|
| d | A | B | C | E | G | Z | J | L | s | Gehäuse | Lager | |
| mm | mm | mm | mm | mm | mm | mm | mm | mm | mm | |||
| FWSN20A | 20,00 | 100,00 | 25,50 | 7,00 | 78,00 | 5,00 | 62,00 | 43,70 | 31,50 | 9,00 | GG.FWSN04 | HC204 |
| FWSN25A | 25,00 | 115,00 | 22,00 | 9,00 | 92,00 | 3,00 | 75,00 | 44,40 | 33,50 | 9,00 | GG.FWSN05 | HC205 |
| FWSN30A | 30,00 | 127,00 | 22,50 | 9,50 | 105,00 | 3,00 | 85,00 | 48,40 | 37,60 | 9,00 | GG.FWSN06 | HC206 |
| FWSN35A | 35,00 | 135,00 | 22,50 | 10,00 | 110,00 | 4,00 | 90,00 | 51,10 | 38,80 | 11,50 | GG.FWSN07 | HC207 |
| FWSN40A | 40,00 | 145,00 | 26,00 | 11,50 | 120,00 | 4,00 | 100,00 | 56,30 | 42,50 | 11,50 | GG.FWSN08 | HC208 |
| FWSN45A | 45,00 | 155,00 | 26,50 | 12,00 | 130,00 | 4,00 | 105,00 | 56,30 | 42,50 | 14,00 | GG.FWSN09 | HC209 |
| FWSN50A | 50,00 | 165,00 | 28,00 | 13,00 | 136,00 | 4,00 | 115,00 | 62,70 | 46,60 | 14,00 | GG.FWSN10 | HC210 |
| FWSN55A | 55,00 | 185,00 | 43,00 | 15,00 | 150,00 | 12,00 | 125,00 | 71,40 | 44,70 | 14,00 | GG.FWSN11 | HC211 |
| FWSN60A | 60,00 | 195,00 | 33,00 | 16,00 | 165,00 | 4,00 | 140,00 | 77,80 | 65,40 | 14,00 | GG.FWSN12 | HC212 |
| FWSN65A | 65,00 | 205,00 | 50,00 | 15,00 | 170,00 | 14,00 | 145,00 | 85,50 | 56,10 | 18,00 | GG.FWSN13 | HC213 |
| FWSN70A | 70,00 | 215,00 | 54,00 | 18,00 | 177,00 | 14,00 | 150,00 | 66,10 | 54,20 | 18,00 | GG.FWSN14 | HC214 |
| FWSN75A | 75,00 | 220,00 | 56,00 | 18,00 | 184,00 | 16,00 | 160,00 | 91,70 | 65,10 | 18,00 | GG.FWSN15 | HC215 |
| FWSN80A | 80,00 | 240,00 | 58,00 | 18,00 | 200,00 | 18,00 | 170,00 | 71,00 | 59,60 | 18,00 | GG.FWSN16 | HC216 |
Varianten von FWSN45A (6)
| Bezeichnung | Abmessungen | Komponenten | ||||||||||
|---|---|---|---|---|---|---|---|---|---|---|---|---|
| d | A | B | C | E | G | Z | J | L | s | Gehäuse | Lager | |
| mm | mm | mm | mm | mm | mm | mm | mm | mm | mm | |||
| FWSN45 | 45,00 | 155,00 | 26,50 | 12,00 | 130,00 | 4,00 | 105,00 | 43,70 | 40,10 | 14,00 | GG.FWSN09 | SA209 |
| FWSN45U | 45,00 | 155,00 | 26,50 | 12,00 | 130,00 | 4,00 | 105,00 | 49,20 | 37,70 | 14,00 | GG.FWSN09 | UC209 |
| FWSN45A | 45,00 | 155,00 | 26,50 | 12,00 | 130,00 | 4,00 | 105,00 | 56,30 | 42,50 | 14,00 | GG.FWSN09 | HC209 |
| FWSN45T | 45,00 | 155,00 | 26,50 | 12,00 | 130,00 | 4,00 | 105,00 | 56,30 | 42,50 | 14,00 | GG.FWSN09 | HC209R3 |
| FWSN50K | 45,00 | 165,00 | 28,00 | 13,00 | 136,00 | 4,00 | 115,00 | 55,00 | 31,50 | 14,00 | GG.FWSN10 | UK210 |
| FWSN45S | 45,00 | 155,00 | 26,50 | 12,00 | 130,00 | 4,00 | 105,00 | 41,20 | 37,70 | 14,00 | GG.FWSN09 | SB209 |
Zubehör für FWSN45A (0)
Es konnten keine weiteren Daten geladen werden.
Alternative Fabrikate für FWSN45A (1)
| Bezeichnung | Fabrikat | Webshop | Bemerkung |
|---|---|---|---|
| FWSN45A | HFH | Premium-Qualität, Hausmarke |
Eigenschaften für FWSN45A (0)
Es konnten keine weiteren Daten geladen werden.
Für dieses Produkt ist ein 3D-Model verfügbar
Unsere 3D-Modelle dienen als visuelle Unterstützung und werden mit großer sorgfalt erstellt und die Angaben auf Richtigkeit überprüft. Für etwaige fehlerhafte oder unvollständige Angaben kann jedoch keine Haftung übernommen werden.
Die Herausgabe von Stepdateien ist ausschließlich Unternehmenskunden vorbehalten. Um eine Stepdatei anzufragen nutzen Sie bitte den Link für die Stepdatei-Anfrage.
3D WebGL
Step-Datei
Alle Angaben ohne Gewähr. Bitte beachten Sie folgende Produkthinweise