Flanschlager FWSN45S
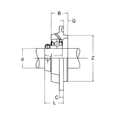
Hauptabmessungen nach europäischem Standard
Hauptabmessungen für FWSN45S
| Bezeichnung | Abmessungen | Bemerkung |
|---|---|---|
| d | 45,00 mm | Wellendurchmesser |
| L | 37,70 mm | |
| A | 155,00 mm | |
| B | 26,50 mm | |
| J | 41,20 mm | |
| E | 130,00 mm | |
| C | 12,00 mm | |
| s | 14,00 mm | |
| G | 4,00 mm | |
| Z | 105,00 mm |
Leistungsdaten für FWSN45S
| Bezeichnung | Abmessungen | Bemerkung |
|---|---|---|
| 1,400 kg | Gewicht |
Weitere Größen für FWSN45S Baureihe FWSNS (9)
| Bezeichnung | Abmessungen | Komponenten | ||||||||||
|---|---|---|---|---|---|---|---|---|---|---|---|---|
| d | A | B | C | E | G | Z | J | L | s | Gehäuse | Lager | |
| mm | mm | mm | mm | mm | mm | mm | mm | mm | mm | |||
| FWSN20S | 20,00 | 100,00 | 25,50 | 7,00 | 78,00 | 5,00 | 62,00 | 25,00 | 23,30 | 9,00 | GG.FWSN04 | SB204 |
| FWSN25S | 25,00 | 115,00 | 22,00 | 9,00 | 92,00 | 3,00 | 75,00 | 27,00 | 26,30 | 9,00 | GG.FWSN05 | SB205 |
| FWSN30S | 30,00 | 127,00 | 22,50 | 9,50 | 105,00 | 3,00 | 85,00 | 30,00 | 29,70 | 9,00 | GG.FWSN06 | SB206 |
| FWSN35S | 35,00 | 135,00 | 22,50 | 10,00 | 110,00 | 4,00 | 90,00 | 32,00 | 31,90 | 11,50 | GG.FWSN07 | SB207 |
| FWSN40S | 40,00 | 145,00 | 26,00 | 11,50 | 120,00 | 4,00 | 100,00 | 34,00 | 32,00 | 11,50 | GG.FWSN08 | SB208 |
| FWSN45S | 45,00 | 155,00 | 26,50 | 12,00 | 130,00 | 4,00 | 105,00 | 41,20 | 37,70 | 14,00 | GG.FWSN09 | SB209 |
| FWSN50S | 50,00 | 165,00 | 28,00 | 13,00 | 136,00 | 4,00 | 115,00 | 43,50 | 41,00 | 14,00 | GG.FWSN10 | SB210 |
| FWSN55S | 55,00 | 185,00 | 43,00 | 15,00 | 150,00 | 12,00 | 125,00 | 45,30 | 34,30 | 14,00 | GG.FWSN11 | SB211 |
| FWSN60S | 60,00 | 195,00 | 33,00 | 16,00 | 165,00 | 4,00 | 140,00 | 53,70 | 52,70 | 14,00 | GG.FWSN12 | SB212 |
Varianten von FWSN45S (6)
| Bezeichnung | Abmessungen | Komponenten | ||||||||||
|---|---|---|---|---|---|---|---|---|---|---|---|---|
| d | A | B | C | E | G | Z | J | L | s | Gehäuse | Lager | |
| mm | mm | mm | mm | mm | mm | mm | mm | mm | mm | |||
| FWSN45 | 45,00 | 155,00 | 26,50 | 12,00 | 130,00 | 4,00 | 105,00 | 43,70 | 40,10 | 14,00 | GG.FWSN09 | SA209 |
| FWSN45U | 45,00 | 155,00 | 26,50 | 12,00 | 130,00 | 4,00 | 105,00 | 49,20 | 37,70 | 14,00 | GG.FWSN09 | UC209 |
| FWSN45A | 45,00 | 155,00 | 26,50 | 12,00 | 130,00 | 4,00 | 105,00 | 56,30 | 42,50 | 14,00 | GG.FWSN09 | HC209 |
| FWSN45T | 45,00 | 155,00 | 26,50 | 12,00 | 130,00 | 4,00 | 105,00 | 56,30 | 42,50 | 14,00 | GG.FWSN09 | HC209R3 |
| FWSN50K | 45,00 | 165,00 | 28,00 | 13,00 | 136,00 | 4,00 | 115,00 | 55,00 | 31,50 | 14,00 | GG.FWSN10 | UK210 |
| FWSN45S | 45,00 | 155,00 | 26,50 | 12,00 | 130,00 | 4,00 | 105,00 | 41,20 | 37,70 | 14,00 | GG.FWSN09 | SB209 |
Zubehör für FWSN45S (0)
Es konnten keine weiteren Daten geladen werden.
Alternative Fabrikate für FWSN45S (1)
| Bezeichnung | Fabrikat | Webshop | Bemerkung |
|---|---|---|---|
| FWSN45S | HFH | Premium-Qualität, Hausmarke |
Eigenschaften für FWSN45S (0)
Es konnten keine weiteren Daten geladen werden.
Für dieses Produkt ist ein 3D-Model verfügbar
Unsere 3D-Modelle dienen als visuelle Unterstützung und werden mit großer sorgfalt erstellt und die Angaben auf Richtigkeit überprüft. Für etwaige fehlerhafte oder unvollständige Angaben kann jedoch keine Haftung übernommen werden.
Die Herausgabe von Stepdateien ist ausschließlich Unternehmenskunden vorbehalten. Um eine Stepdatei anzufragen nutzen Sie bitte den Link für die Stepdatei-Anfrage.
3D WebGL
Step-Datei
Alle Angaben ohne Gewähr. Bitte beachten Sie folgende Produkthinweise