Kiristyslaakeri SKL45T
Päämitat eurooppalaisten standardien mukaan
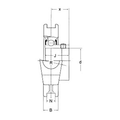
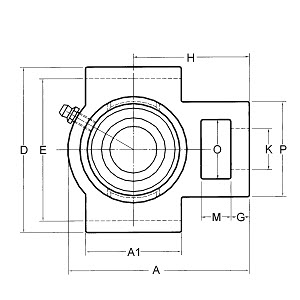
Tärkeimmät mitat SKL45T
| Nimeäminen | Ulottuvuus | Huomautus |
|---|---|---|
| H | 87,00 mm | |
| A | 144,00 mm | |
| A1 | 83,00 mm | |
| N | 16,00 mm | |
| B | 35,00 mm | |
| J | 56,30 mm | |
| E | 102,00 mm | |
| K | 29,00 mm | |
| M | 19,00 mm | |
| P | 83,00 mm | |
| R | 49,00 mm | |
| G | 16,00 mm |
Suorituskykytiedot SKL45T
| Nimeäminen | Ulottuvuus | Huomautus |
|---|---|---|
| 1,800 kg | paino |
Muut SKL45T sarja SKLT (14)
| Nimeäminen | Ulottuvuus | Komponentit | |||||||||||||||
|---|---|---|---|---|---|---|---|---|---|---|---|---|---|---|---|---|---|
| d | A | A1 | B | D | E | G | H | J | K | M | N | P | R | x | Asuminen | Laakeri | |
| mm | mm | mm | mm | mm | mm | mm | mm | mm | mm | mm | mm | mm | mm | mm | |||
| SKL20T | - | 94,00 | 51,00 | 21,00 | - | 76,00 | 10,00 | 61,00 | 43,70 | 19,00 | 16,00 | 12,00 | 51,00 | 32,00 | 26,60 | GG.SKL04 | HC204R3 |
| SKL25T | - | 97,00 | 51,00 | 24,00 | - | 76,00 | 10,00 | 62,00 | 44,40 | 19,00 | 16,00 | 12,00 | 51,00 | 32,00 | 26,90 | GG.SKL05 | HC205R3 |
| SKL30T | - | 113,00 | 57,00 | 28,00 | - | 89,00 | 10,00 | 70,00 | 48,40 | 22,00 | 16,00 | 12,00 | 56,00 | 37,00 | 30,10 | GG.SKL06 | HC206R3 |
| SKL35T | - | 129,00 | 64,00 | 30,00 | - | 89,00 | 13,00 | 78,00 | 51,10 | 22,00 | 16,00 | 12,00 | 64,00 | 37,00 | 32,30 | GG.SKL07 | HC207R3 |
| SKL40T | - | 144,00 | 83,00 | 33,00 | - | 102,00 | 16,00 | 88,00 | 56,30 | 29,00 | 19,00 | 16,00 | 83,00 | 49,00 | 34,90 | GG.SKL08 | HC208R3 |
| SKL45T | - | 144,00 | 83,00 | 35,00 | - | 102,00 | 16,00 | 87,00 | 56,30 | 29,00 | 19,00 | 16,00 | 83,00 | 49,00 | 34,90 | GG.SKL09 | HC209R3 |
| SKL50T | - | 149,00 | 86,00 | 37,00 | - | 102,00 | 16,00 | 90,00 | 62,70 | 29,00 | 19,00 | 16,00 | 83,00 | 49,00 | 38,10 | GG.SKL10 | HC210R3 |
| SKL55T | - | 171,00 | 95,00 | 38,00 | - | 130,00 | 19,00 | 106,00 | 71,40 | 35,00 | 25,00 | 22,00 | 102,00 | 64,00 | 43,60 | GG.SKL11 | HC211R3 |
| SKL60T | - | 194,00 | 102,00 | 42,00 | - | 130,00 | 19,00 | 119,00 | 77,80 | 35,00 | 32,00 | 22,00 | 102,00 | 64,00 | 52,40 | GG.SKL12 | HC212R3 |
| SKL65T | - | 224,00 | 121,00 | 44,00 | - | 151,00 | 21,00 | 137,00 | 85,50 | 41,00 | 32,00 | 26,00 | 111,00 | 70,00 | 51,90 | GG.SKL13 | HC213R3 |
| SKL70T | - | 224,00 | 121,00 | 46,00 | - | 151,00 | 21,00 | 137,00 | 66,10 | 41,00 | 32,00 | 26,00 | 111,00 | 70,00 | 44,60 | GG.SKL14 | HC214R3 |
| SKL75T | - | 232,00 | 121,00 | 48,00 | - | 151,00 | 21,00 | 140,00 | 91,70 | 41,00 | 32,00 | 26,00 | 111,00 | 70,00 | 54,30 | GG.SKL15 | HC215R3 |
| SKL80T | - | 235,00 | 121,00 | 51,00 | - | 165,00 | 21,00 | 140,00 | 71,00 | 41,00 | 32,00 | 26,00 | 111,00 | 70,00 | 47,60 | GG.SKL16 | HC216R3 |
| SKL90T | - | 275,00 | 140,00 | 55,00 | - | 190,00 | 30,00 | 160,00 | 69,50 | 48,00 | 40,00 | 30,00 | 130,00 | 80,00 | 46,50 | GG.SKL18 | HC218R3 |
Vaihtelu SKL45T (6)
| Nimeäminen | Ulottuvuus | Komponentit | |||||||||||||||
|---|---|---|---|---|---|---|---|---|---|---|---|---|---|---|---|---|---|
| d | A | A1 | B | D | E | G | H | J | K | M | N | P | R | x | Asuminen | Laakeri | |
| mm | mm | mm | mm | mm | mm | mm | mm | mm | mm | mm | mm | mm | mm | mm | |||
| SKL45 | - | 144,00 | 83,00 | 35,00 | - | 102,00 | 16,00 | 87,00 | 43,70 | 29,00 | 19,00 | 16,00 | 83,00 | 49,00 | 34,20 | GG.SKL09 | SA209 |
| SKL45S | - | 144,00 | 83,00 | 35,00 | - | 102,00 | 16,00 | 87,00 | 41,20 | 29,00 | 19,00 | 16,00 | 83,00 | 49,00 | 31,00 | GG.SKL09 | SB209 |
| SKL45U | - | 144,00 | 83,00 | 35,00 | - | 102,00 | 16,00 | 87,00 | 49,20 | 29,00 | 19,00 | 16,00 | 83,00 | 49,00 | 30,20 | GG.SKL09 | UC209 |
| SKL45A | - | 144,00 | 83,00 | 35,00 | - | 102,00 | 16,00 | 87,00 | 56,30 | 29,00 | 19,00 | 16,00 | 83,00 | 49,00 | 34,90 | GG.SKL09 | HC209 |
| SKL45T | - | 144,00 | 83,00 | 35,00 | - | 102,00 | 16,00 | 87,00 | 56,30 | 29,00 | 19,00 | 16,00 | 83,00 | 49,00 | 34,90 | GG.SKL09 | HC209R3 |
| SKL50K | - | 149,00 | 86,00 | 37,00 | - | 102,00 | 16,00 | 90,00 | 55,00 | 29,00 | 19,00 | 16,00 | 83,00 | 49,00 | - | GG.SKL09 | UK210 |
Lisävarusteet SKL45T (7)
| Tyyppi | Nimeäminen | Brändi | Täysi nimitys |
|---|---|---|---|
| C209 | Gussdeckel (offen) | HFH | C-SKL45T |
| CM209 | Gussdeckel (geschl.) | HFH | CM-SKL45T |
| DBI209 | Kunststoffdeckel (geschl.) | HFH | DBI-SKL45T |
| KASK250-A | Kunststoffdeckel (geschl.) | HFH | KASK-SKL45T-A |
| KASK250-B | Kunststoffdeckel (offen) | HFH | KASK-SKL45T-B |
| S209 | Stahlblechdeckel (offen) | HFH | S-SKL45T |
| SM209 | Stahlblechdeckel (geschl.) | HFH | SM-SKL45T |
Vaihtoehtoiset tuotemerkit SKL45T (1)
| Nimi | Brändi | Verkkokauppa | Ilmoitus |
|---|---|---|---|
| SKL45T | HFH | Premium -laatu, talon tuotemerkki |
Tuoteominaisuudet SKL45T (0)
Tietoja ei voitu ladata enempää.
Für dieses Produkt ist ein 3D-Model verfügbar
3D -mallimme toimivat visuaalisena tukena ja ne luodaan erittäin huolellisesti ja tiedot tarkistetaan tarkkuuden varalta. Mitään vääriä tai puutteellisia tietoja varten ei kuitenkaan voida hyväksyä vastuuta. Vaihetiedostojen julkaisu on varattu yksinomaan yritysasiakkaille. Pyydä askeltiedostoa käyttämällä STEP -tiedostopyyntölinkkiä.
3D WebGL
Askelfili
Kaikki lausunnot ilman takeita. Huomaa, että seuraava tuotetiedot