Tension bearing SKL45S
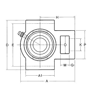
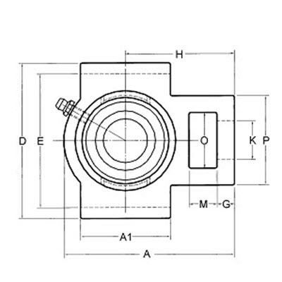
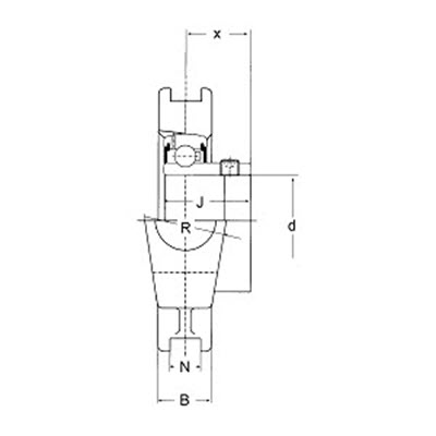
Main dimensions according to european standards
Main dimensions for SKL45S
| Designation | Dimension | Remark |
|---|---|---|
| H | 87.00 mm | |
| A | 144.00 mm | |
| A1 | 83.00 mm | |
| N | 16.00 mm | |
| B | 35.00 mm | |
| J | 41.20 mm | |
| E | 102.00 mm | |
| K | 29.00 mm | |
| M | 19.00 mm | |
| P | 83.00 mm | |
| R | 49.00 mm | |
| G | 16.00 mm |
Performance data for SKL45S
| Designation | Dimension | Remark |
|---|---|---|
| 1.800 kg | Weight |
Other sizes of SKL45S series SKLS (9)
| Designation | Dimension | Components | |||||||||||||||
|---|---|---|---|---|---|---|---|---|---|---|---|---|---|---|---|---|---|
| d | A | A1 | B | D | E | G | H | J | K | M | N | P | R | x | Housing | Bearing | |
| mm | mm | mm | mm | mm | mm | mm | mm | mm | mm | mm | mm | mm | mm | mm | |||
| SKL20S | - | 94,00 | 51,00 | 21,00 | - | 76,00 | 10,00 | 61,00 | 25,00 | 19,00 | 16,00 | 12,00 | 51,00 | 32,00 | 18,00 | GG.SKL04 | SB204 |
| SKL25S | - | 97,00 | 51,00 | 24,00 | - | 76,00 | 10,00 | 62,00 | 27,00 | 19,00 | 16,00 | 12,00 | 51,00 | 32,00 | 19,50 | GG.SKL05 | SB205 |
| SKL30S | - | 113,00 | 57,00 | 28,00 | - | 89,00 | 10,00 | 70,00 | 30,00 | 22,00 | 16,00 | 12,00 | 56,00 | 37,00 | 22,00 | GG.SKL06 | SB206 |
| SKL35S | - | 129,00 | 64,00 | 30,00 | - | 89,00 | 13,00 | 78,00 | 32,00 | 22,00 | 16,00 | 12,00 | 64,00 | 37,00 | 23,50 | GG.SKL07 | SB207 |
| SKL40S | - | 144,00 | 83,00 | 33,00 | - | 102,00 | 16,00 | 88,00 | 34,00 | 29,00 | 19,00 | 16,00 | 83,00 | 49,00 | 25,00 | GG.SKL08 | SB208 |
| SKL45S | - | 144,00 | 83,00 | 35,00 | - | 102,00 | 16,00 | 87,00 | 41,20 | 29,00 | 19,00 | 16,00 | 83,00 | 49,00 | 31,00 | GG.SKL09 | SB209 |
| SKL50S | - | 149,00 | 86,00 | 37,00 | - | 102,00 | 16,00 | 90,00 | 43,50 | 29,00 | 19,00 | 16,00 | 83,00 | 49,00 | 32,60 | GG.SKL10 | SB210 |
| SKL55S | - | 171,00 | 95,00 | 38,00 | - | 130,00 | 19,00 | 106,00 | 45,30 | 35,00 | 25,00 | 22,00 | 102,00 | 64,00 | 33,50 | GG.SKL11 | SB211 |
| SKL60S | - | 194,00 | 102,00 | 42,00 | - | 130,00 | 19,00 | 119,00 | 53,70 | 35,00 | 32,00 | 22,00 | 102,00 | 64,00 | 38,80 | GG.SKL12 | SB212 |
Variants of SKL45S (6)
| Designation | Dimension | Components | |||||||||||||||
|---|---|---|---|---|---|---|---|---|---|---|---|---|---|---|---|---|---|
| d | A | A1 | B | D | E | G | H | J | K | M | N | P | R | x | Housing | Bearing | |
| mm | mm | mm | mm | mm | mm | mm | mm | mm | mm | mm | mm | mm | mm | mm | |||
| SKL45 | - | 144,00 | 83,00 | 35,00 | - | 102,00 | 16,00 | 87,00 | 43,70 | 29,00 | 19,00 | 16,00 | 83,00 | 49,00 | 34,20 | GG.SKL09 | SA209 |
| SKL45S | - | 144,00 | 83,00 | 35,00 | - | 102,00 | 16,00 | 87,00 | 41,20 | 29,00 | 19,00 | 16,00 | 83,00 | 49,00 | 31,00 | GG.SKL09 | SB209 |
| SKL45U | - | 144,00 | 83,00 | 35,00 | - | 102,00 | 16,00 | 87,00 | 49,20 | 29,00 | 19,00 | 16,00 | 83,00 | 49,00 | 30,20 | GG.SKL09 | UC209 |
| SKL45A | - | 144,00 | 83,00 | 35,00 | - | 102,00 | 16,00 | 87,00 | 56,30 | 29,00 | 19,00 | 16,00 | 83,00 | 49,00 | 34,90 | GG.SKL09 | HC209 |
| SKL45T | - | 144,00 | 83,00 | 35,00 | - | 102,00 | 16,00 | 87,00 | 56,30 | 29,00 | 19,00 | 16,00 | 83,00 | 49,00 | 34,90 | GG.SKL09 | HC209R3 |
| SKL50K | - | 149,00 | 86,00 | 37,00 | - | 102,00 | 16,00 | 90,00 | 55,00 | 29,00 | 19,00 | 16,00 | 83,00 | 49,00 | - | GG.SKL09 | UK210 |
Accessories to SKL45S (7)
| Type | Designation | Brand | Full designation |
|---|---|---|---|
| C209 | Gussdeckel (offen) | HFH | C-SKL45S |
| CM209 | Gussdeckel (geschl.) | HFH | CM-SKL45S |
| DBI209 | Kunststoffdeckel (geschl.) | HFH | DBI-SKL45S |
| KASK250-A | Kunststoffdeckel (geschl.) | HFH | KASK-SKL45S-A |
| KASK250-B | Kunststoffdeckel (offen) | HFH | KASK-SKL45S-B |
| S209 | Stahlblechdeckel (offen) | HFH | S-SKL45S |
| SM209 | Stahlblechdeckel (geschl.) | HFH | SM-SKL45S |
Alternate brands for SKL45S (1)
| Name | Brand | Webshop | Notice |
|---|---|---|---|
| SKL45S | HFH | Premium quality, house brand |
Product features for SKL45S (0)
No more data could be loaded.
Für dieses Produkt ist ein 3D-Model verfügbar
Our 3D models serve as visual support and are created with great care and the information is checked for accuracy. However, no liability can be accepted for any incorrect or incomplete information. The release of step files is reserved exclusively for corporate customers. To request a step file, please use the step file request link.
3D WebGL
Step-file
All statements without guarantee. Please note the following product information