Фланцевий підшипник OWFZ35T
Основні розміри згідно європейських стандартів
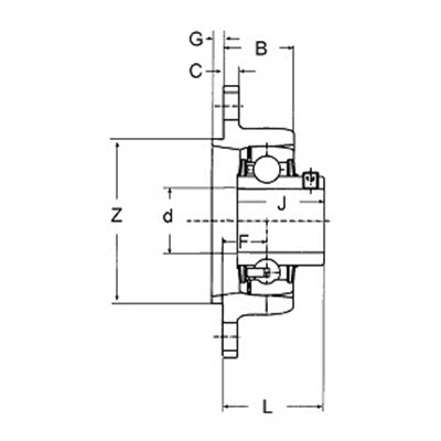
Основні розміри для OWFZ35T
| Призначення | Вимір | Зауваження |
|---|---|---|
| d | 35,00 mm | діаметр валу |
| L | 50,90 mm | |
| A | 155,00 mm | |
| B | 35,00 mm | |
| J | 51,10 mm | |
| D | 92,00 mm | |
| E | 130,00 mm | |
| F | 18,60 mm | |
| C | 12,00 mm | |
| s | 13,50 mm | |
| G | 3,00 mm | |
| Z | 90,00 mm |
Дані про продуктивність для OWFZ35T
| Призначення | Вимір | Зауваження |
|---|---|---|
| 3 | Кріпильні гвинти (у комплект поставки не входять) | |
| 0,500 kg | вага |
Інші розміри OWFZ35T серія OWFZT (8)
| Призначення | Вимір | компоненти | ||||||||||||
|---|---|---|---|---|---|---|---|---|---|---|---|---|---|---|
| d | A | B | C | D | E | F | G | s | Z | J | L | Житло | Підшипник | |
| mm | mm | mm | mm | mm | mm | mm | mm | mm | mm | mm | mm | |||
| OWFZ20T | 20,00 | 112,00 | 31,70 | 61,00 | 90,00 | 17,10 | 2,00 | 11,50 | 55,00 | 43,70 | 43,70 | GG.OWFZ04 | HC204R3 | |
| OWFZ25T | 25,00 | 124,00 | 30,00 | 70,00 | 99,00 | 16,70 | 2,00 | 11,50 | 60,00 | 44,40 | 43,60 | GG.OWFZ05 | HC205R3 | |
| OWFZ30T | 30,00 | 142,00 | 33,00 | 80,00 | 117,00 | 19,80 | 2,00 | 11,50 | 80,00 | 48,40 | 49,90 | GG.OWFZ06 | HC206R3 | |
| OWFZ35T | 35,00 | 155,00 | 35,00 | 92,00 | 130,00 | 18,60 | 3,00 | 13,50 | 90,00 | 51,10 | 50,90 | GG.OWFZ07 | HC207R3 | |
| OWFZ40T | 40,00 | 172,00 | 40,00 | 105,00 | 144,00 | 20,80 | 3,00 | 13,50 | 100,00 | 56,30 | 55,70 | GG.OWFZ08 | HC208R3 | |
| OWFZ45T | 45,00 | 180,00 | 45,00 | 111,00 | 148,50 | 20,80 | 3,00 | 13,50 | 105,00 | 56,30 | 55,70 | GG.OWFZ09 | HC209R3 | |
| OWFZ50T | 50,00 | 190,00 | 47,50 | 116,00 | 157,00 | 25,70 | 3,00 | 13,50 | 105,00 | 62,70 | 63,80 | GG.OWFZ10 | HC210R3 | |
| OWFZ60T | 60,00 | 238,00 | 54,00 | 140,00 | 202,00 | 32,00 | 3,00 | 18,00 | 130,00 | 77,80 | 84,40 | GG.OWFZ12 | HC212R3 | |
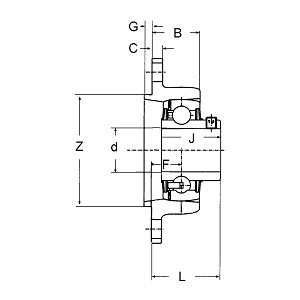
Варіанти OWFZ35T (6)
| Призначення | Вимір | компоненти | ||||||||||||
|---|---|---|---|---|---|---|---|---|---|---|---|---|---|---|
| d | A | B | C | D | E | F | G | s | Z | J | L | Житло | Підшипник | |
| mm | mm | mm | mm | mm | mm | mm | mm | mm | mm | mm | mm | |||
| OWFZ35 | 35,00 | 155,00 | 35,00 | 92,00 | 130,00 | 18,60 | 3,00 | 13,50 | 90,00 | 38,90 | 49,00 | GG.OWFZ07 | SA207 | |
| OWFZ35U | 35,00 | 155,00 | 35,00 | 92,00 | 130,00 | 18,60 | 3,00 | 13,50 | 90,00 | 42,90 | 44,00 | GG.OWFZ07 | UC207 | |
| OWFZ35A | 35,00 | 155,00 | 35,00 | 92,00 | 130,00 | 18,60 | 3,00 | 13,50 | 90,00 | 51,10 | 50,90 | GG.OWFZ07 | HC207 | |
| OWFZ35T | 35,00 | 155,00 | 35,00 | 92,00 | 130,00 | 18,60 | 3,00 | 13,50 | 90,00 | 51,10 | 50,90 | GG.OWFZ07 | HC207R3 | |
| OWFZ40K | 35,00 | 172,00 | 40,00 | 105,00 | 144,00 | 20,80 | 3,00 | 13,50 | 100,00 | - | - | GG.OWFZ08 | UK208 | |
| OWFZ35S | 35,00 | 155,00 | 35,00 | 92,00 | 130,00 | 18,60 | 3,00 | 13,50 | 90,00 | 32,00 | 42,10 | GG.OWFZ07 | SB207 | |
Аксесуари до OWFZ35T (0)
Не вдалося завантажити більше даних.
Альтернативні бренди для OWFZ35T (1)
| Назва | Бренд | Веб -сайт | Ув'язнення |
|---|---|---|---|
| OWFZ35T | HFH | Преміальна якість, бренд будинку |
Особливості продукту для OWFZ35T (0)
Не вдалося завантажити більше даних.
Für dieses Produkt ist ein 3D-Model verfügbar
Наші 3D -моделі служать візуальною підтримкою і створюються з великою обережністю, а інформація перевіряється на точність. Однак жодна відповідальність не може бути прийнята за будь -яку неправильну або неповну інформацію. Випуск крок файлів зарезервовано виключно для корпоративних клієнтів. Щоб подати запит на крок, будь ласка, скористайтеся посиланням запиту на файл кроку.
3D WebGL
Стовпчик
Варіанти OWFZ35T (1)
Усі заяви без гарантії. Зверніть увагу на наступне Інформація про продукт