Flenslager OWFZ35U
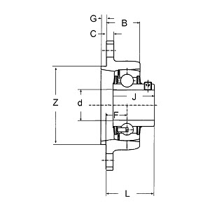
Hoveddimensjoner i henhold til europeiske standarder
Hoveddimensjoner for OWFZ35U
| Betegnelse | Dimensjon | Bemerke |
|---|---|---|
| d | 35,00 mm | Akseldiameter |
| L | 44,00 mm | |
| A | 155,00 mm | |
| B | 35,00 mm | |
| J | 42,90 mm | |
| D | 92,00 mm | |
| E | 130,00 mm | |
| F | 18,60 mm | |
| C | 12,00 mm | |
| s | 13,50 mm | |
| G | 3,00 mm | |
| Z | 90,00 mm |
Ytelsesdata for OWFZ35U
| Betegnelse | Dimensjon | Bemerke |
|---|---|---|
| 3 | Festeskruer (ikke inkludert i leveringen) | |
| 0,500 kg | vekt |
Andre størrelser på OWFZ35U serie OWFZU (8)
| Betegnelse | Dimensjon | Komponenter | ||||||||||||
|---|---|---|---|---|---|---|---|---|---|---|---|---|---|---|
| d | A | B | C | D | E | F | G | s | Z | J | L | Bolig | Peiling | |
| mm | mm | mm | mm | mm | mm | mm | mm | mm | mm | mm | mm | |||
| OWFZ20U | 20,00 | 112,00 | 31,70 | 61,00 | 90,00 | 17,10 | 2,00 | 11,50 | 55,00 | 31,00 | 35,40 | GG.OWFZ04 | UC204 | |
| OWFZ25U | 25,00 | 124,00 | 30,00 | 70,00 | 99,00 | 16,70 | 2,00 | 11,50 | 60,00 | 34,10 | 36,50 | GG.OWFZ05 | UC205 | |
| OWFZ30U | 30,00 | 142,00 | 33,00 | 80,00 | 117,00 | 19,80 | 2,00 | 11,50 | 80,00 | 38,10 | 42,00 | GG.OWFZ06 | UC206 | |
| OWFZ35U | 35,00 | 155,00 | 35,00 | 92,00 | 130,00 | 18,60 | 3,00 | 13,50 | 90,00 | 42,90 | 44,00 | GG.OWFZ07 | UC207 | |
| OWFZ40U | 40,00 | 172,00 | 40,00 | 105,00 | 144,00 | 20,80 | 3,00 | 13,50 | 100,00 | 49,20 | 51,00 | GG.OWFZ08 | UC208 | |
| OWFZ45U | 45,00 | 180,00 | 45,00 | 111,00 | 148,50 | 20,80 | 3,00 | 13,50 | 105,00 | 49,20 | 51,00 | GG.OWFZ09 | UC209 | |
| OWFZ50U | 50,00 | 190,00 | 47,50 | 116,00 | 157,00 | 25,70 | 3,00 | 13,50 | 105,00 | 51,60 | 58,30 | GG.OWFZ10 | UC210 | |
| OWFZ60U | 60,00 | 238,00 | 54,00 | 140,00 | 202,00 | 32,00 | 3,00 | 18,00 | 130,00 | 65,10 | 71,70 | GG.OWFZ12 | UC212 | |
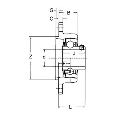
Varianter av OWFZ35U (6)
| Betegnelse | Dimensjon | Komponenter | ||||||||||||
|---|---|---|---|---|---|---|---|---|---|---|---|---|---|---|
| d | A | B | C | D | E | F | G | s | Z | J | L | Bolig | Peiling | |
| mm | mm | mm | mm | mm | mm | mm | mm | mm | mm | mm | mm | |||
| OWFZ35 | 35,00 | 155,00 | 35,00 | 92,00 | 130,00 | 18,60 | 3,00 | 13,50 | 90,00 | 38,90 | 49,00 | GG.OWFZ07 | SA207 | |
| OWFZ35U | 35,00 | 155,00 | 35,00 | 92,00 | 130,00 | 18,60 | 3,00 | 13,50 | 90,00 | 42,90 | 44,00 | GG.OWFZ07 | UC207 | |
| OWFZ35A | 35,00 | 155,00 | 35,00 | 92,00 | 130,00 | 18,60 | 3,00 | 13,50 | 90,00 | 51,10 | 50,90 | GG.OWFZ07 | HC207 | |
| OWFZ35T | 35,00 | 155,00 | 35,00 | 92,00 | 130,00 | 18,60 | 3,00 | 13,50 | 90,00 | 51,10 | 50,90 | GG.OWFZ07 | HC207R3 | |
| OWFZ40K | 35,00 | 172,00 | 40,00 | 105,00 | 144,00 | 20,80 | 3,00 | 13,50 | 100,00 | - | - | GG.OWFZ08 | UK208 | |
| OWFZ35S | 35,00 | 155,00 | 35,00 | 92,00 | 130,00 | 18,60 | 3,00 | 13,50 | 90,00 | 32,00 | 42,10 | GG.OWFZ07 | SB207 | |
Tilbehør til OWFZ35U (0)
Ingen flere data kunne lastes inn.
Alternative merker for OWFZ35U (1)
| Navn | Merke | Webshop | Legge merke til |
|---|---|---|---|
| OWFZ35U | HFH | Premium kvalitet, husmerke |
Produktfunksjoner for OWFZ35U (0)
Ingen flere data kunne lastes inn.
Für dieses Produkt ist ein 3D-Model verfügbar
Våre 3D -modeller fungerer som visuell støtte og er opprettet med stor omhu, og informasjonen blir sjekket for nøyaktighet. Ingen ansvar kan imidlertid aksepteres for uriktig eller ufullstendig informasjon. Utgivelsen av trinnfiler er utelukkende reservert for bedriftskunder. For å be om en trinnfil, vennligst bruk koblingen Trinn File Request.
3D WebGL
Trinnfil
Varianter av OWFZ35U (1)
Alle uttalelser uten garanti. Vær oppmerksom på følgende Produktinformasjon