Flenslager OWFZ30S
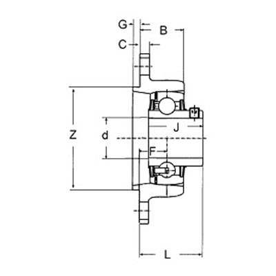
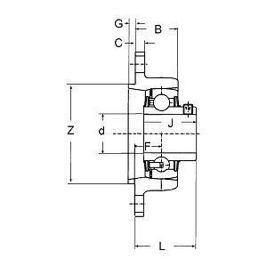
Hoveddimensjoner i henhold til europeiske standarder
Hoveddimensjoner for OWFZ30S
| Betegnelse | Dimensjon | Bemerke |
|---|---|---|
| d | 30,00 mm | Akseldiameter |
| L | 41,80 mm | |
| A | 142,00 mm | |
| B | 33,00 mm | |
| J | 30,00 mm | |
| D | 80,00 mm | |
| E | 117,00 mm | |
| F | 19,80 mm | |
| C | 12,00 mm | |
| s | 11,50 mm | |
| G | 2,00 mm | |
| Z | 80,00 mm |
Ytelsesdata for OWFZ30S
| Betegnelse | Dimensjon | Bemerke |
|---|---|---|
| 2 | Festeskruer (ikke inkludert i leveringen) | |
| 0,500 kg | vekt |
Andre størrelser på OWFZ30S serie OWFZS (8)
| Betegnelse | Dimensjon | Komponenter | ||||||||||||
|---|---|---|---|---|---|---|---|---|---|---|---|---|---|---|
| d | A | B | C | D | E | F | G | s | Z | J | L | Bolig | Peiling | |
| mm | mm | mm | mm | mm | mm | mm | mm | mm | mm | mm | mm | |||
| OWFZ20S | 20,00 | 112,00 | 31,70 | 61,00 | 90,00 | 17,10 | 2,00 | 11,50 | 55,00 | 25,00 | 35,10 | GG.OWFZ04 | SB204 | |
| OWFZ25S | 25,00 | 124,00 | 30,00 | 70,00 | 99,00 | 16,70 | 2,00 | 11,50 | 60,00 | 27,00 | 36,20 | GG.OWFZ05 | SB205 | |
| OWFZ30S | 30,00 | 142,00 | 33,00 | 80,00 | 117,00 | 19,80 | 2,00 | 11,50 | 80,00 | 30,00 | 41,80 | GG.OWFZ06 | SB206 | |
| OWFZ35S | 35,00 | 155,00 | 35,00 | 92,00 | 130,00 | 18,60 | 3,00 | 13,50 | 90,00 | 32,00 | 42,10 | GG.OWFZ07 | SB207 | |
| OWFZ40S | 40,00 | 172,00 | 40,00 | 105,00 | 144,00 | 20,80 | 3,00 | 13,50 | 100,00 | 34,00 | 45,80 | GG.OWFZ08 | SB208 | |
| OWFZ45S | 45,00 | 180,00 | 45,00 | 111,00 | 148,50 | 20,80 | 3,00 | 13,50 | 105,00 | 41,20 | 51,80 | GG.OWFZ09 | SB209 | |
| OWFZ50S | 50,00 | 190,00 | 47,50 | 116,00 | 157,00 | 25,70 | 3,00 | 13,50 | 105,00 | 43,50 | 58,30 | GG.OWFZ10 | SB210 | |
| OWFZ60S | 60,00 | 238,00 | 54,00 | 140,00 | 202,00 | 32,00 | 3,00 | 18,00 | 130,00 | 53,70 | 70,80 | GG.OWFZ12 | SB212 | |
Varianter av OWFZ30S (6)
| Betegnelse | Dimensjon | Komponenter | ||||||||||||
|---|---|---|---|---|---|---|---|---|---|---|---|---|---|---|
| d | A | B | C | D | E | F | G | s | Z | J | L | Bolig | Peiling | |
| mm | mm | mm | mm | mm | mm | mm | mm | mm | mm | mm | mm | |||
| OWFZ30 | 30,00 | 142,00 | 33,00 | 80,00 | 117,00 | 19,80 | 2,00 | 11,50 | 80,00 | 35,70 | 47,50 | GG.OWFZ06 | SA206 | |
| OWFZ30U | 30,00 | 142,00 | 33,00 | 80,00 | 117,00 | 19,80 | 2,00 | 11,50 | 80,00 | 38,10 | 42,00 | GG.OWFZ06 | UC206 | |
| OWFZ30A | 30,00 | 142,00 | 33,00 | 80,00 | 117,00 | 19,80 | 2,00 | 11,50 | 80,00 | 48,40 | 49,90 | GG.OWFZ06 | HC206 | |
| OWFZ30T | 30,00 | 142,00 | 33,00 | 80,00 | 117,00 | 19,80 | 2,00 | 11,50 | 80,00 | 48,40 | 49,90 | GG.OWFZ06 | HC206R3 | |
| OWFZ35K | 30,00 | 155,00 | 35,00 | 92,00 | 130,00 | 18,60 | 3,00 | 13,50 | 90,00 | - | - | GG.OWFZ07 | UK207 | |
| OWFZ30S | 30,00 | 142,00 | 33,00 | 80,00 | 117,00 | 19,80 | 2,00 | 11,50 | 80,00 | 30,00 | 41,80 | GG.OWFZ06 | SB206 | |
Tilbehør til OWFZ30S (0)
Ingen flere data kunne lastes inn.
Alternative merker for OWFZ30S (1)
| Navn | Merke | Webshop | Legge merke til |
|---|---|---|---|
| OWFZ30S | HFH | Premium kvalitet, husmerke |
Produktfunksjoner for OWFZ30S (0)
Ingen flere data kunne lastes inn.
Für dieses Produkt ist ein 3D-Model verfügbar
Våre 3D -modeller fungerer som visuell støtte og er opprettet med stor omhu, og informasjonen blir sjekket for nøyaktighet. Ingen ansvar kan imidlertid aksepteres for uriktig eller ufullstendig informasjon. Utgivelsen av trinnfiler er utelukkende reservert for bedriftskunder. For å be om en trinnfil, vennligst bruk koblingen Trinn File Request.
3D WebGL
Trinnfil
Varianter av OWFZ30S (1)
Alle uttalelser uten garanti. Vær oppmerksom på følgende Produktinformasjon