Flens lagers OWF50A
Belangrijkste afmetingen volgens Europees normen
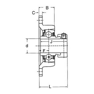
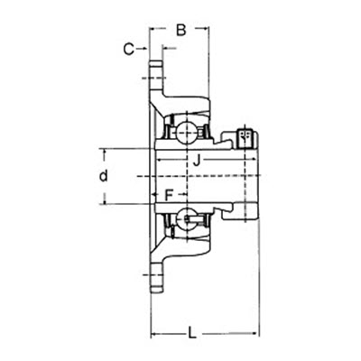
Hoofdafmetingen voor OWF50A
| Aanduiding | Dimensie | Opmerking |
|---|---|---|
| d | 50,00 mm | Schacht diameter |
| L | 66,70 mm | |
| A | 190,00 mm | |
| B | 39,00 mm | Versie afwijkend van de standaard: 47,50 mm |
| J | 62,70 mm | |
| D | 116,00 mm | |
| E | 157,00 mm | |
| F | 28,60 mm | |
| C | 13,00 mm | |
| s | 13,50 mm |
Prestatiegegevens voor OWF50A
| Aanduiding | Dimensie | Opmerking |
|---|---|---|
| 1,200 kg | gewicht |
Andere maten van OWF50A serie OWFA (10)
| Aanduiding | Dimensie | Componenten | ||||||||||
|---|---|---|---|---|---|---|---|---|---|---|---|---|
| d | A | B | C | D | E | F | J | L | s | Huisvesting | Handelswijze | |
| mm | mm | mm | mm | mm | mm | mm | mm | mm | mm | |||
| OWF20A | 20,00 | 112,00 | 28,00 31,70 | 10,00 | 61,00 | 90,00 | 20,00 | 43,70 | 46,60 | 11,50 | GG.OWF04 | HC204 |
| OWF25A | 25,00 | 124,00 | 29,00 33,30 | 11,00 | 70,00 | 99,00 | 20,00 | 44,40 | 46,90 | 11,50 | GG.OWF05 | HC205 |
| OWF30A | 30,00 | 142,00 | 29,00 35,00 | 12,00 | 80,00 | 117,00 | 21,80 | 48,40 | 51,90 | 11,50 | GG.OWF06 | HC206 |
| OWF35A | 35,00 | 155,00 | 30,50 37,30 | 13,00 | 92,00 | 130,00 | 21,50 | 51,10 | 53,80 | 13,50 | GG.OWF07 | HC207 |
| OWF40A | 40,00 | 172,00 | 34,50 43,00 | 13,00 | 105,00 | 144,00 | 23,80 | 56,30 | 58,70 | 13,50 | GG.OWF08 | HC208 |
| OWF45A | 45,00 | 180,00 | 35,00 45,00 | 13,00 | 111,00 | 148,50 | 23,90 | 56,30 | 58,70 | 13,50 | GG.OWF09 | HC209 |
| OWF50A | 50,00 | 190,00 | 39,00 47,50 | 13,00 | 116,00 | 157,00 | 28,60 | 62,70 | 66,70 | 13,50 | GG.OWF10 | HC210 |
| OWF55A | 55,00 | 224,00 | 43,50 43,00 | 16,00 | 134,00 | 184,00 | 31,00 | 71,40 | 74,60 | 18,00 | GG.OWF11 | HC211 |
| OWF60A | 60,00 | 238,00 | 46,00 54,00 | 16,00 | 140,00 | 202,00 | 35,00 | 77,80 | 87,40 | 18,00 | GG.OWF12 | HC212 |
| OWF70A | 70,00 | 258,00 | 57,00 | 18,00 | 160,00 | 216,00 | 38,00 | 66,10 | 82,40 | 21,00 | GG.OWF14 | HC214 |
Varianten van OWF50A (6)
| Aanduiding | Dimensie | Componenten | ||||||||||
|---|---|---|---|---|---|---|---|---|---|---|---|---|
| d | A | B | C | D | E | F | J | L | s | Huisvesting | Handelswijze | |
| mm | mm | mm | mm | mm | mm | mm | mm | mm | mm | |||
| OWF50 | 50,00 | 190,00 | 39,00 47,50 | 13,00 | 116,00 | 157,00 | 28,60 | 43,70 | 62,30 | 13,50 | GG.OWF10 | SA210 |
| OWF50U | 50,00 | 190,00 | 39,00 47,50 | 13,00 | 116,00 | 157,00 | 28,60 | 51,60 | 61,20 | 13,50 | GG.OWF10 | UC210 |
| OWF50A | 50,00 | 190,00 | 39,00 47,50 | 13,00 | 116,00 | 157,00 | 28,60 | 62,70 | 66,70 | 13,50 | GG.OWF10 | HC210 |
| OWF50T | 50,00 | 190,00 | 39,00 47,50 | 13,00 | 116,00 | 157,00 | 28,60 | 62,70 | 66,70 | 13,50 | GG.OWF10 | HC210R3 |
| OWF55K | 50,00 | 224,00 | 43,50 43,00 | 16,00 | 134,00 | 184,00 | 31,00 | 59,00 | - | 18,00 | GG.OWF11 | UK211 |
| OWF50S | 50,00 | 190,00 | 39,00 47,50 | 13,00 | 116,00 | 157,00 | 28,60 | 43,50 | 61,20 | 13,50 | GG.OWF10 | SB210 |
Accessoires voor OWF50A (0)
Er konden geen gegevens meer worden geladen.
Alternatieve merken voor OWF50A (1)
| Naam | Merk | Webshop | Kennisgeving |
|---|---|---|---|
| OWF50A | HFH | Premium -kwaliteit, huismerk |
Productfuncties voor OWF50A (0)
Er konden geen gegevens meer worden geladen.
Für dieses Produkt ist ein 3D-Model verfügbar
Onze 3D -modellen dienen als visuele ondersteuning en zijn met grote zorg gemaakt en de informatie wordt gecontroleerd op nauwkeurigheid. Er kan echter geen aansprakelijkheid worden aanvaard voor onjuiste of onvolledige informatie. De release van Step -bestanden is exclusief voorbehouden aan zakelijke klanten. Gebruik de link Bestandsaanvraag om een stapbestand aan te vragen.
3D WebGL
Step-file
Alle verklaringen zonder garantie. Let op: de volgende productinformatie