Karimás csapágy RVFW45K
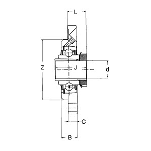
Fő méretek az európai szabványok szerint
Fő dimenziók RVFW45K
| Kijelölés | Dimenzió | Megjegyzés |
|---|---|---|
| d | 40,00 mm | Tengely átmérője |
| L | 21,40 mm | |
| A | 155,00 mm | |
| B | 25,00 mm | |
| J | 50,00 mm | |
| E | 130,00 mm | |
| C | 12,00 mm | |
| s | 14,00 mm | |
| Z | 105,00 mm |
Teljesítmény adatai RVFW45K
| Kijelölés | Dimenzió | Megjegyzés |
|---|---|---|
| 1,250 kg | súly |
Egyéb méretek RVFW45K sorozat RVFWK (9)
| Kijelölés | Dimenzió | Alkatrészek | |||||||||
|---|---|---|---|---|---|---|---|---|---|---|---|
| d | A | B | C | E | s | Z | J | L | Ház | Csapágy | |
| mm | mm | mm | mm | mm | mm | mm | mm | mm | |||
| RVFW25K | 20,00 | 115,00 | 19,00 | 9,00 | 90,00 | 9,50 | 70,00 | 35,00 | 17,00 | GG.RVFW04 | UK205 |
| RVFW30K | 25,00 | 125,00 | 20,50 | 9,50 | 100,00 | 11,50 | 80,00 | 38,00 | 17,20 | GG.RVFW05 | UK206 |
| RVFW35K | 30,00 | 135,00 | 20,50 | 10,00 | 110,00 | 11,50 | 90,00 | 43,00 | 18,40 | GG.RVFW06 | UK207 |
| RVFW40K | 35,00 | 145,00 | 23,00 | 11,50 | 120,00 | 11,50 | 100,00 | 46,00 | 19,40 | GG.RVFW07 | UK208 |
| RVFW45K | 40,00 | 155,00 | 25,00 | 12,00 | 130,00 | 14,00 | 105,00 | 50,00 | 21,40 | GG.RVFW08 | UK209 |
| RVFW50K | 45,00 | 165,00 | 25,00 | 14,00 | 135,00 | 14,00 | 110,00 | 55,00 | 22,70 | GG.RVFW09 | UK210 |
| RVFW70K | 55,00 | 195,00 | 29,00 | 16,00 | 160,00 | 18,00 | 135,00 | 62,00 | 24,00 | GG.RVFW11 | UK212 |
| RVFW80K | 70,00 | 220,00 | 32,00 | 18,00 | 184,00 | 18,00 | 160,00 | 78,00 | 25,00 | GG.RVFW14 | UK216 |
| RVFW90K | 80,00 | 265,00 | 32,00 | 20,00 | 220,00 | 23,00 | 190,00 | 86,00 | - | GG.RVFW16 | UK218 |
Variánsok RVFW45K (6)
| Kijelölés | Dimenzió | Alkatrészek | |||||||||
|---|---|---|---|---|---|---|---|---|---|---|---|
| d | A | B | C | E | s | Z | J | L | Ház | Csapágy | |
| mm | mm | mm | mm | mm | mm | mm | mm | mm | |||
| RVFW40 | 40,00 | 145,00 | 23,00 | 11,50 | 120,00 | 11,50 | 100,00 | 43,70 | 31,70 | GG.RVFW08 | SA208 |
| RVFW40U | 40,00 | 145,00 | 23,00 | 11,50 | 120,00 | 11,50 | 100,00 | 49,20 | 29,20 | GG.RVFW08 | UC208 |
| RVFW40A | 40,00 | 145,00 | 23,00 | 11,50 | 120,00 | 11,50 | 100,00 | 56,30 | 33,90 | GG.RVFW08 | HC208 |
| RVFW40T | 40,00 | 145,00 | 23,00 | 11,50 | 120,00 | 11,50 | 100,00 | 56,30 | 33,90 | GG.RVFW08 | HC208R3 |
| RVFW45K | 40,00 | 155,00 | 25,00 | 12,00 | 130,00 | 14,00 | 105,00 | 50,00 | 21,40 | GG.RVFW08 | UK209 |
| RVFW40S | 40,00 | 145,00 | 23,00 | 11,50 | 120,00 | 11,50 | 100,00 | 34,00 | 28,50 | GG.RVFW08 | SB208 |
Kiegészítők RVFW45K (0)
Nem lehetett több adatot betölteni.
Alternatív márkák RVFW45K (1)
| Név | Márka | Webeshop | Értesítés |
|---|---|---|---|
| RVFW45K | HFH | Prémium minőség, házmárka |
Termékjellemzők RVFW45K (0)
Nem lehetett több adatot betölteni.
Für dieses Produkt ist ein 3D-Model verfügbar
3D -s modelljeink vizuális támogatásként szolgálnak, és nagy gondossággal jönnek létre, és az információkat a pontosság ellenőrzi. A helytelen vagy hiányos információkért azonban nem vállalhat felelősséget. A Step Files kiadását kizárólag a vállalati ügyfelek számára tartják fenn. Egy lépésfájl kéréséhez kérjük, használja a Step File Request linket.
3D WebGL
Lépcsőfutó
Variánsok RVFW45K (1)
Minden nyilatkozat garancia nélkül. Felhívjuk figyelmét, hogy a következő Termékinformációk