Stahlblech Stehlager BSS12U
Fő méretek az európai szabványok szerint
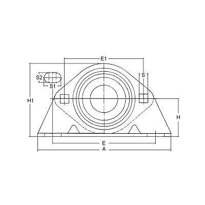
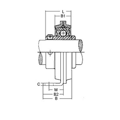
Fő dimenziók BSS12U
| Kijelölés | Dimenzió | Megjegyzés |
|---|---|---|
| d | 12,00 mm | Tengely átmérője |
| L | 23,00 mm | |
| H | 30,20 mm | |
| H1 | 60,00 mm | |
| A | 124,00 mm | |
| B | 32,50 mm | |
| B1 | 14,20 mm | |
| B2 | 25,40 mm | |
| S | 7,00 mm | |
| E | 92,00 mm | |
| E1 | 63,50 mm | |
| M | 15,10 mm | |
| C | 2,60 mm | |
| S1 | 15,50 mm | |
| S2 | 10,40 mm |
Teljesítmény adatai BSS12U
| Kijelölés | Dimenzió | Megjegyzés |
|---|---|---|
| 0,150 kg | súly |
Egyéb méretek BSS12U sorozat BSSU (8)
| Kijelölés | Dimenzió | Alkatrészek | |||||||||||||||
|---|---|---|---|---|---|---|---|---|---|---|---|---|---|---|---|---|---|
| d | A | B | B1 | B2 | C | E | E1 | H | H1 | L | M | S | S1 | S2 | Ház | Csapágy | |
| mm | mm | mm | mm | mm | mm | mm | mm | mm | mm | mm | mm | mm | mm | mm | |||
| BSS12U | 12,00 | 124,00 | 32,50 | 14,20 | 25,40 | 2,60 | 92,00 | 63,50 | 30,20 | 60,00 | 23,00 | 15,10 | 7,00 | 15,50 | 10,40 | B-BSS12 | UC201 |
| BSS15U | 15,00 | 124,00 | 32,50 | 14,20 | 25,40 | 2,60 | 92,00 | 63,50 | 30,20 | 60,00 | 23,00 | 15,10 | 7,00 | 15,50 | 10,40 | B-BSS15 | UC202 |
| BSS17U | 17,00 | 124,00 | 32,50 | 14,20 | 25,40 | 2,60 | 92,00 | 63,50 | 30,20 | 60,00 | 23,00 | 15,10 | 7,00 | 15,50 | 10,40 | B-BSS17 | UC203 |
| BSS20U | 20,00 | 127,00 | 33,00 | 16,00 | 25,40 | 3,00 | 96,00 | 71,40 | 33,30 | 67,00 | 26,00 | 15,10 | 8,70 | 15,50 | 10,40 | B-BSS20 | UC204 |
| BSS25U | 25,00 | 134,00 | 34,00 | 17,50 | 25,40 | 3,40 | 97,00 | 76,20 | 36,50 | 72,00 | 28,50 | 14,40 | 8,70 | 20,20 | 11,20 | B-BSS25 | UC205 |
| BSS30U | 30,00 | 159,00 | 39,00 | 17,50 | 30,20 | 3,40 | 119,00 | 90,50 | 43,00 | 85,00 | 32,50 | 15,90 | 10,30 | 22,10 | 14,30 | B-BSS30 | UC206 |
| BSS35U | 35,00 | 165,00 | 46,00 | 22,50 | 35,00 | 3,80 | 127,00 | 100,00 | 47,60 | 92,00 | 37,00 | 20,70 | 10,30 | 21,40 | 14,30 | B-BSS35 | UC207 |
| BSS40U | 40,00 | 180,00 | 53,50 | 27,00 | 40,00 | 4,00 | 137,00 | 119,00 | 55,00 | 106,00 | 44,00 | 25,00 | 13,50 | 21,40 | 14,30 | B-BSS40 | UC208 |
Kiegészítők BSS12U (0)
Nem lehetett több adatot betölteni.
Alternatív márkák BSS12U (1)
| Név | Márka | Webeshop | Értesítés |
|---|---|---|---|
| BSS12U | HFH | Prémium minőség, házmárka |
Termékjellemzők BSS12U (0)
Nem lehetett több adatot betölteni.
Für dieses Produkt ist ein 3D-Model verfügbar
3D -s modelljeink vizuális támogatásként szolgálnak, és nagy gondossággal jönnek létre, és az információkat a pontosság ellenőrzi. A helytelen vagy hiányos információkért azonban nem vállalhat felelősséget. A Step Files kiadását kizárólag a vállalati ügyfelek számára tartják fenn. Egy lépésfájl kéréséhez kérjük, használja a Step File Request linket.
3D WebGL
Lépcsőfutó
Variánsok BSS12U (1)
Minden nyilatkozat garancia nélkül. Felhívjuk figyelmét, hogy a következő Termékinformációk