Tension bearing SPK30
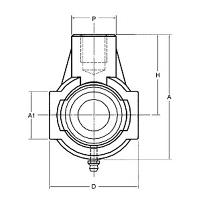
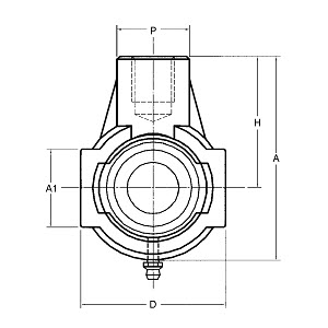
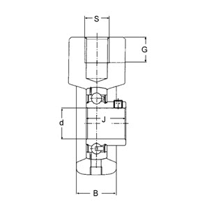
Main dimensions according to european standards
Main dimensions for SPK30
| Designation | Dimension | Remark |
|---|---|---|
| d | 30.00 mm | shaft diameter |
| H | 72.00 mm | |
| A | 114.00 mm | |
| A1 | 40.00 mm | |
| B | 32.00 mm | |
| S | M 24 mm | |
| J | 35.70 mm | |
| D | 85.00 mm | |
| P | 40.00 mm | |
| S | M 24 | |
| G | 24.00 mm |
Performance data for SPK30
| Designation | Dimension | Remark |
|---|---|---|
| 24 | Fastening screws (not included in delivery) | |
| 0.800 kg | Weight |
Other sizes of SPK30 series SPK (8)
| Designation | Dimension | Components | |||||||||||||||
|---|---|---|---|---|---|---|---|---|---|---|---|---|---|---|---|---|---|
| d | A | A1 | B | D | G | H | J | P | S | Housing | Bearing | ||||||
| mm | mm | mm | mm | mm | mm | mm | mm | mm | |||||||||
| SPK20 | 20,00 | 91,00 | 38,00 | 25,00 | 65,00 | 21,00 | 58,00 | 31,00 | 33,00 | M 16 | GG.SPK04 | SA204 | |||||
| SPK25 | 25,00 | 99,00 | 38,00 | 28,00 | 70,00 | 22,00 | 64,00 | 31,00 | 35,00 | M 20 | GG.SPK05 | SA205 | |||||
| SPK30 | 30,00 | 114,00 | 40,00 | 32,00 | 85,00 | 24,00 | 72,00 | 35,70 | 40,00 | M 24 | GG.SPK06 | SA206 | |||||
| SPK35 | 35,00 | 122,00 | 49,00 | 32,00 | 90,00 | 24,00 | 76,00 | 38,90 | 40,00 | M 24 | GG.SPK07 | SA207 | |||||
| SPK40 | 40,00 | 135,00 | 45,00 | 36,00 | 100,00 | 24,00 | 85,00 | 43,70 | 40,00 | M 24 | GG.SPK08 | SA208 | |||||
| SPK45 | 45,00 | 145,00 | 46,00 | 40,00 | 110,00 | 24,00 | 90,00 | 43,70 | 40,00 | M 24 | GG.SPK09 | SA209 | |||||
| SPK50 | 50,00 | 145,00 | 46,00 | 40,00 | 110,00 | 24,00 | 90,00 | 43,70 | 40,00 | M 24 | GG.SPK10 | SA210 | |||||
| SPK60 | 60,00 | 175,00 | 51,00 | 42,00 | 143,00 | 24,00 | 104,00 | 53,10 | 61,00 | M 24 | GG.SPK12 | SA212 | |||||
Variants of SPK30 (6)
| Designation | Dimension | Components | |||||||||||||||
|---|---|---|---|---|---|---|---|---|---|---|---|---|---|---|---|---|---|
| d | A | A1 | B | D | G | H | J | P | S | Housing | Bearing | ||||||
| mm | mm | mm | mm | mm | mm | mm | mm | mm | |||||||||
| SPK30 | 30,00 | 114,00 | 40,00 | 32,00 | 85,00 | 24,00 | 72,00 | 35,70 | 40,00 | M 24 | GG.SPK06 | SA206 | |||||
| SPK30S | 30,00 | 114,00 | 40,00 | 32,00 | 85,00 | 24,00 | 72,00 | 30,00 | 40,00 | M 24 | GG.SPK06 | SB206 | |||||
| SPK30U | 30,00 | 114,00 | 40,00 | 32,00 | 85,00 | 24,00 | 72,00 | 38,10 | 40,00 | M 24 | GG.SPK06 | UC206 | |||||
| SPK30A | 30,00 | 114,00 | 40,00 | 32,00 | 85,00 | 24,00 | 72,00 | 48,40 | 40,00 | M 24 | GG.SPK06 | HC206 | |||||
| SPK30T | 30,00 | 114,00 | 40,00 | 32,00 | 85,00 | 24,00 | 72,00 | 48,40 | 40,00 | M 24 | GG.SPK06 | HC206R3 | |||||
| SPK35K | 30,00 | 122,00 | 49,00 | 32,00 | 90,00 | 24,00 | 76,00 | 43,00 | 40,00 | M 24 | GG.SPK07 | UK207 | |||||
Alternate brands for SPK30 (1)
| Name | Brand | Webshop | Notice |
|---|---|---|---|
| SPK30 | HFH | Premium quality, house brand |
Product features for SPK30 (0)
No more data could be loaded.
Für dieses Produkt ist ein 3D-Model verfügbar
Our 3D models serve as visual support and are created with great care and the information is checked for accuracy. However, no liability can be accepted for any incorrect or incomplete information. The release of step files is reserved exclusively for corporate customers. To request a step file, please use the step file request link.
3D WebGL
Step-file
All statements without guarantee. Please note the following product information