Flange bearing RVFW60A
Main dimensions according to european standards
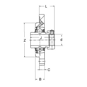
Main dimensions for RVFW60A
| Designation | Dimension | Remark |
|---|---|---|
| d | 60.00 mm | shaft diameter |
| L | 45.80 mm | |
| A | 195.00 mm | |
| B | 29.00 mm | |
| J | 77.80 mm | |
| E | 160.00 mm | |
| C | 16.00 mm | |
| s | 18.00 mm | |
| Z | 135.00 mm |
Performance data for RVFW60A
| Designation | Dimension | Remark |
|---|---|---|
| 2.200 kg | Weight |
Other sizes of RVFW60A series RVFWA (13)
| Designation | Dimension | Components | |||||||||
|---|---|---|---|---|---|---|---|---|---|---|---|
| d | A | B | C | E | s | Z | J | L | Housing | Bearing | |
| mm | mm | mm | mm | mm | mm | mm | mm | mm | |||
| RVFW20A | 20,00 | 100,00 | 17,00 | 8,00 | 78,00 | 9,50 | 62,00 | 43,70 | 24,60 | GG.RVFW04 | HC204 |
| RVFW25A | 25,00 | 115,00 | 19,00 | 9,00 | 90,00 | 9,50 | 70,00 | 44,40 | 24,40 | GG.RVFW05 | HC205 |
| RVFW30A | 30,00 | 125,00 | 20,50 | 9,50 | 100,00 | 11,50 | 80,00 | 48,40 | 28,10 | GG.RVFW06 | HC206 |
| RVFW35A | 35,00 | 135,00 | 20,50 | 10,00 | 110,00 | 11,50 | 90,00 | 51,10 | 31,30 | GG.RVFW07 | HC207 |
| RVFW40A | 40,00 | 145,00 | 23,00 | 11,50 | 120,00 | 11,50 | 100,00 | 56,30 | 33,90 | GG.RVFW08 | HC208 |
| RVFW45A | 45,00 | 155,00 | 25,00 | 12,00 | 130,00 | 14,00 | 105,00 | 56,30 | 32,90 | GG.RVFW09 | HC209 |
| RVFW50A | 50,00 | 165,00 | 25,00 | 14,00 | 135,00 | 14,00 | 110,00 | 62,70 | 37,10 | GG.RVFW10 | HC210 |
| RVFW60A | 60,00 | 195,00 | 29,00 | 16,00 | 160,00 | 18,00 | 135,00 | 77,80 | 45,80 | GG.RVFW12 | HC212 |
| RVFW70A | 70,00 | 215,00 | 32,00 | 18,00 | 177,00 | 18,00 | 150,00 | 66,10 | 44,60 | GG.RVFW14 | HC214 |
| RVFW80A | 80,00 | 220,00 | 32,00 | 18,00 | 184,00 | 18,00 | 160,00 | 71,00 | 49,60 | GG.RVFW16 | HC216 |
| RVFW90A | 90,00 | 265,00 | 32,00 | 20,00 | 220,00 | 23,00 | 190,00 | 69,50 | 50,50 | GG.RVFW18 | HC218 |
| RVFW100A | 100,00 | 295,00 | 36,00 | 22,00 | 245,00 | 23,00 | 210,00 | 75,00 | 53,40 | GG.RVFW20 | HC220 |
| RVFW120A | 120,00 | 350,00 | 40,00 | 24,00 | 295,00 | 27,00 | 250,00 | 81,00 | 56,50 | GG.RVFW24 | HC224 |
Variants of RVFW60A (5)
| Designation | Dimension | Components | |||||||||
|---|---|---|---|---|---|---|---|---|---|---|---|
| d | A | B | C | E | s | Z | J | L | Housing | Bearing | |
| mm | mm | mm | mm | mm | mm | mm | mm | mm | |||
| RVFW60 | 60,00 | 195,00 | 29,00 | 16,00 | 160,00 | 18,00 | 135,00 | 53,10 | 38,60 | GG.RVFW12 | SA212 |
| RVFW60U | 60,00 | 195,00 | 29,00 | 16,00 | 160,00 | 18,00 | 135,00 | 65,10 | 38,70 | GG.RVFW12 | UC212 |
| RVFW60A | 60,00 | 195,00 | 29,00 | 16,00 | 160,00 | 18,00 | 135,00 | 77,80 | 45,80 | GG.RVFW12 | HC212 |
| RVFW60T | 60,00 | 195,00 | 29,00 | 16,00 | 160,00 | 18,00 | 135,00 | 77,80 | 45,80 | GG.RVFW12 | HC212R3 |
| RVFW60S | 60,00 | 195,00 | 29,00 | 16,00 | 160,00 | 18,00 | 135,00 | 53,70 | 33,00 | GG.RVFW12 | SB212 |
Accessories to RVFW60A (0)
No more data could be loaded.
Alternate brands for RVFW60A (1)
| Name | Brand | Webshop | Notice |
|---|---|---|---|
| RVFW60A | HFH | Premium quality, house brand |
Product features for RVFW60A (0)
No more data could be loaded.
Für dieses Produkt ist ein 3D-Model verfügbar
Our 3D models serve as visual support and are created with great care and the information is checked for accuracy. However, no liability can be accepted for any incorrect or incomplete information. The release of step files is reserved exclusively for corporate customers. To request a step file, please use the step file request link.
3D WebGL
Step-file
Variants of RVFW60A (1)
All statements without guarantee. Please note the following product information