Stahlblech Stehlager BSS12
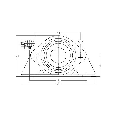
Main dimensions according to european standards
Main dimensions for BSS12
| Designation | Dimension | Remark |
|---|---|---|
| d | 12.00 mm | shaft diameter |
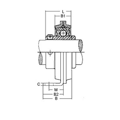
| L | 29.60 mm | |
| H | 30.20 mm | |
| H1 | 60.00 mm | |
| A | 124.00 mm | |
| B | 32.50 mm | |
| B1 | 14.20 mm | |
| B2 | 25.40 mm | |
| S | 7.00 mm | |
| E | 92.00 mm | |
| E1 | 63.50 mm | |
| M | 15.10 mm | |
| C | 2.60 mm | |
| S1 | 15.50 mm | |
| S2 | 10.40 mm |
Performance data for BSS12
| Designation | Dimension | Remark |
|---|---|---|
| 0.150 kg | Weight |
Other sizes of BSS12 series BSS (8)
| Designation | Dimension | Components | |||||||||||||||
|---|---|---|---|---|---|---|---|---|---|---|---|---|---|---|---|---|---|
| d | A | B | B1 | B2 | C | E | E1 | H | H1 | L | M | S | S1 | S2 | Housing | Bearing | |
| mm | mm | mm | mm | mm | mm | mm | mm | mm | mm | mm | mm | mm | mm | mm | |||
| BSS12 | 12,00 | 124,00 | 32,50 | 14,20 | 25,40 | 2,60 | 92,00 | 63,50 | 30,20 | 60,00 | 29,60 | 15,10 | 7,00 | 15,50 | 10,40 | B-BSS12 | SA201 |
| BSS15 | 15,00 | 124,00 | 32,50 | 14,20 | 25,40 | 2,60 | 92,00 | 63,50 | 30,20 | 60,00 | 29,60 | 15,10 | 7,00 | 15,50 | 10,40 | B-BSS15 | SA202 |
| BSS17 | 17,00 | 124,00 | 32,50 | 14,20 | 25,40 | 2,60 | 92,00 | 63,50 | 30,20 | 60,00 | 29,60 | 15,10 | 7,00 | 15,50 | 10,40 | B-BSS17 | SA203 |
| BSS20 | 20,00 | 127,00 | 33,00 | 16,00 | 25,40 | 3,00 | 96,00 | 71,40 | 33,30 | 67,00 | 32,00 | 15,10 | 8,70 | 15,50 | 10,40 | B-BSS20 | SA204 |
| BSS25 | 25,00 | 134,00 | 34,00 | 17,50 | 25,40 | 3,40 | 97,00 | 76,20 | 36,50 | 72,00 | 32,50 | 14,40 | 8,70 | 20,20 | 11,20 | B-BSS25 | SA205 |
| BSS30 | 30,00 | 159,00 | 39,00 | 17,50 | 30,20 | 3,40 | 119,00 | 90,50 | 43,00 | 85,00 | 36,70 | 15,90 | 10,30 | 22,10 | 14,30 | B-BSS30 | SA206 |
| BSS35 | 35,00 | 165,00 | 46,00 | 22,50 | 35,00 | 3,80 | 127,00 | 100,00 | 47,60 | 92,00 | 41,00 | 20,70 | 10,30 | 21,40 | 14,30 | B-BSS35 | SA207 |
| BSS40 | 40,00 | 180,00 | 53,50 | 27,00 | 40,00 | 4,00 | 137,00 | 119,00 | 55,00 | 106,00 | 46,00 | 25,00 | 13,50 | 21,40 | 14,30 | B-BSS40 | SA208 |
Variants of BSS12 (2)
| Designation | Dimension | Components | |||||||||||||||
|---|---|---|---|---|---|---|---|---|---|---|---|---|---|---|---|---|---|
| d | A | B | B1 | B2 | C | E | E1 | H | H1 | L | M | S | S1 | S2 | Housing | Bearing | |
| mm | mm | mm | mm | mm | mm | mm | mm | mm | mm | mm | mm | mm | mm | mm | |||
| BSS12 | 12,00 | 124,00 | 32,50 | 14,20 | 25,40 | 2,60 | 92,00 | 63,50 | 30,20 | 60,00 | 29,60 | 15,10 | 7,00 | 15,50 | 10,40 | B-BSS12 | SA201 |
| BSS12U | 12,00 | 124,00 | 32,50 | 14,20 | 25,40 | 2,60 | 92,00 | 63,50 | 30,20 | 60,00 | 23,00 | 15,10 | 7,00 | 15,50 | 10,40 | B-BSS12 | UC201 |
Accessories to BSS12 (0)
No more data could be loaded.
Alternate brands for BSS12 (1)
| Name | Brand | Webshop | Notice |
|---|---|---|---|
| BSS12 | HFH | Premium quality, house brand |
Product features for BSS12 (0)
No more data could be loaded.
Für dieses Produkt ist ein 3D-Model verfügbar
Our 3D models serve as visual support and are created with great care and the information is checked for accuracy. However, no liability can be accepted for any incorrect or incomplete information. The release of step files is reserved exclusively for corporate customers. To request a step file, please use the step file request link.
3D WebGL
Step-file
Variants of BSS12 (1)
All statements without guarantee. Please note the following product information