Flanschlager OWFK40S
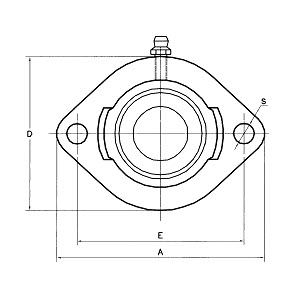
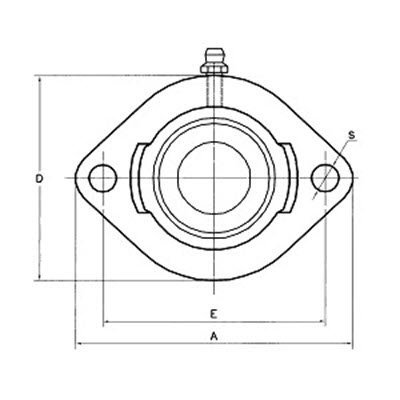
Hauptabmessungen nach europäischem Standard
Hauptabmessungen für OWFK40S
| Bezeichnung | Abmessungen | Bemerkung |
|---|---|---|
| d | 40,00 mm | Wellendurchmesser |
| L | 42,50 mm | |
| A | 150,00 mm | |
| J | 34,00 mm | |
| D | 100,00 mm | |
| E | 119,00 mm | |
| F | 13,50 mm | |
| C | 24,00 mm | |
| s | 14,00 mm |
Leistungsdaten für OWFK40S
| Bezeichnung | Abmessungen | Bemerkung |
|---|---|---|
| 0,650 kg | Gewicht |
Weitere Größen für OWFK40S Baureihe OWFKS (8)
| Bezeichnung | Abmessungen | Komponenten | |||||||||
|---|---|---|---|---|---|---|---|---|---|---|---|
| d | A | C | D | E | F | J | L | s | Gehäuse | Lager | |
| mm | mm | mm | mm | mm | mm | mm | mm | mm | |||
| OWFK12S | 12,00 | 81,00 | 15,00 | 58,70 | 63,50 | 8,40 | 22,00 | 24,50 | 6,60 | GG.OWFK03 | SB201 |
| OWFK15S | 15,00 | 81,00 | 15,00 | 58,70 | 63,50 | 8,40 | 22,00 | 24,50 | 6,60 | GG.OWFK03 | SB202 |
| OWFK17S | 17,00 | 81,00 | 15,00 | 58,70 | 63,50 | 8,40 | 22,00 | 24,50 | 6,60 | GG.OWFK03 | SB203 |
| OWFK20S | 20,00 | 90,50 | 17,00 | 66,50 | 71,40 | 9,50 | 25,00 | 27,50 | 9,00 | GG.OWFK04 | SB204 |
| OWFK25S | 25,00 | 97,00 | 17,50 | 71,00 | 76,20 | 9,90 | 27,00 | 29,40 | 9,00 | GG.OWFK05 | SB205 |
| OWFK30S | 30,00 | 112,50 | 20,50 | 84,00 | 90,50 | 11,40 | 30,00 | 32,50 | 11,50 | GG.OWFK06 | SB206 |
| OWFK35S | 35,00 | 126,00 | 22,00 | 94,00 | 100,00 | 12,40 | 32,00 | 38,00 | 11,50 | GG.OWFK07 | SB207 |
| OWFK40S | 40,00 | 150,00 | 24,00 | 100,00 | 119,00 | 13,50 | 34,00 | 42,50 | 14,00 | GG.OWFK08 | SB208 |
Zubehör für OWFK40S (0)
Es konnten keine weiteren Daten geladen werden.
Alternative Fabrikate für OWFK40S (1)
| Bezeichnung | Fabrikat | Webshop | Bemerkung |
|---|---|---|---|
| OWFK40S | HFH | Premium-Qualität, Hausmarke |
Eigenschaften für OWFK40S (0)
Es konnten keine weiteren Daten geladen werden.
Für dieses Produkt ist ein 3D-Model verfügbar
Unsere 3D-Modelle dienen als visuelle Unterstützung und werden mit großer sorgfalt erstellt und die Angaben auf Richtigkeit überprüft. Für etwaige fehlerhafte oder unvollständige Angaben kann jedoch keine Haftung übernommen werden.
Die Herausgabe von Stepdateien ist ausschließlich Unternehmenskunden vorbehalten. Um eine Stepdatei anzufragen nutzen Sie bitte den Link für die Stepdatei-Anfrage.
3D WebGL
Step-Datei
Varianten von OWFK40S (1)
Alle Angaben ohne Gewähr. Bitte beachten Sie folgende Produkthinweise