Dünnringlager J11008XP0 Typ J08 Maßreihe X
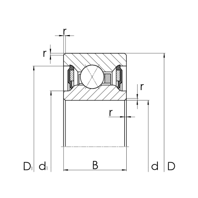
Hauptabmessungen für J11008XP0
| Bezeichnung | Abmessungen | Bemerkung |
|---|---|---|
| d | 110,00 mm | Wellendurchmesser (metrisch) |
| D | 126,00 mm | Außendurchmesser (metrisch) |
| d1 | 116,55 mm | |
| D1 | 119,42 mm | |
| B | 8,00 mm | Breite (metrisch) |
| rmin | 0,860 mm | minimaler Kantenabstand |
Leistungsdaten für J11008XP0
| Bezeichnung | Abmessungen | Bemerkung |
|---|---|---|
| Cr | 6.933 N | dynamische Tragzahl, radial |
| C0r | 11.395 N | statische Tragzahl, radial |
| nG | 580 min-1 | Grenzdrehzahl bei Ölschmierung |
| 0,150 kg | Gewicht |
Weitere Größen für J11008XP0 Baureihe J08X (14)
| Bezeichnung | Abmessungen | Leistungsdaten | ||||||||
|---|---|---|---|---|---|---|---|---|---|---|
| d | D | d1 | D1 | D2 | B | rmin | Cr | C0r | nG | |
| mm | mm | mm | mm | mm | mm | mm | N | N | 1/min-1 | |
| J02508XP0 | 25,00 | 41,00 | 31,55 | 34,42 | - | 8,00 | 0,86 | 3.246 | 3.275 | 3.000 |
| J05008XP0 | 50,00 | 66,00 | 56,55 | 59,42 | - | 8,00 | 0,86 | 4.511 | 5.443 | 1.500 |
| J06008XP0 | 60,00 | 76,00 | 66,55 | 69,42 | - | 8,00 | 0,86 | 4.962 | 6.433 | 1.270 |
| J07008XP0 | 70,00 | 86,00 | 76,55 | 79,42 | - | 8,00 | 0,86 | 5.384 | 7.424 | 1.090 |
| J08008XP0 | 80,00 | 96,00 | 86,55 | 89,42 | - | 8,00 | 0,86 | 5.796 | 8.424 | 950 |
| J09008XP0 | 90,00 | 106,00 | 96,55 | 99,42 | - | 8,00 | 0,86 | 6.188 | 9.405 | 700 |
| J10008XP0 | 100,00 | 116,00 | 106,55 | 109,42 | - | 8,00 | 0,86 | 6.570 | 10.395 | 630 |
| J11008XP0 | 110,00 | 126,00 | 116,55 | 119,42 | - | 8,00 | 0,86 | 6.933 | 11.395 | 580 |
| J12008XP0 | 120,00 | 136,00 | 126,55 | 129,42 | - | 8,00 | 0,86 | 7.286 | 12.376 | 530 |
| J13008XP0 | 130,00 | 146,00 | 136,55 | 139,42 | - | 8,00 | 0,86 | 7.630 | 13.366 | 490 |
| J14008XP0 | 140,00 | 156,00 | 146,55 | 149,42 | - | 8,00 | 0,86 | 7.963 | 14.367 | 450 |
| J15008XP0 | 150,00 | 166,00 | 156,55 | 159,42 | - | 8,00 | 0,86 | 8.296 | 15.347 | 420 |
| J16008XP0 | 160,00 | 176,00 | 166,55 | 169,42 | - | 8,00 | 0,86 | 8.610 | 16.338 | 400 |
| J17008XP0 | 170,00 | 186,00 | 176,55 | 179,42 | - | 8,00 | 0,86 | 8.924 | 17.328 | 370 |
Varianten von J11008XP0 (5)
| Bezeichnung | Abmessungen | Leistungsdaten | ||||||||
|---|---|---|---|---|---|---|---|---|---|---|
| d | D | d1 | D1 | D2 | B | rmin | Cr | C0r | nG | |
| mm | mm | mm | mm | mm | mm | mm | N | N | 1/min-1 | |
| K11008AR0 | 110,00 | 126,00 | 115,90 | 120,10 | 122,20 | 8,00 | 0,84 | 5.502 | 13.298 | - |
| K11008CP0 | 110,00 | 126,00 | 115,90 | 120,10 | - | 8,00 | 0,86 | 5.237 | 11.395 | - |
| J11008CP0 | 110,00 | 126,00 | 116,55 | 119,42 | - | 8,00 | 0,86 | 5.237 | 11.395 | 1.560 |
| K11008XP0 | 110,00 | 126,00 | 115,90 | 120,10 | - | 8,00 | 0,85 | 6.933 | 11.395 | - |
| J11008XP0 | 110,00 | 126,00 | 116,55 | 119,42 | - | 8,00 | 0,86 | 6.933 | 11.395 | 580 |
Zubehör für J11008XP0 (0)
Es konnten keine weiteren Daten geladen werden.
Alternative Fabrikate für J11008XP0 (1)
| Bezeichnung | Fabrikat | Webshop | Bemerkung |
|---|---|---|---|
| J11008XP0 | HFH | Premium-Qualität, Hausmarke |
Eigenschaften für J11008XP0 (3)
| Eigenschaft | Nachsetzzeichen | Beschreibung |
|---|---|---|
| Dichtung | J | Lippendichtung auf beiden Seiten des Lagers |
| Käfigausführung | P (Pos. 7) | einteilig geformter Messingkäfig mit Schnappverschluss |
| Werkstoff | J | AISI 5100 |
Für dieses Produkt ist ein 3D-Model verfügbar
Unsere 3D-Modelle dienen als visuelle Unterstützung und werden mit großer sorgfalt erstellt und die Angaben auf Richtigkeit überprüft. Für etwaige fehlerhafte oder unvollständige Angaben kann jedoch keine Haftung übernommen werden.
Die Herausgabe von Stepdateien ist ausschließlich Unternehmenskunden vorbehalten. Um eine Stepdatei anzufragen nutzen Sie bitte den Link für die Stepdatei-Anfrage.
3D WebGL
Step-Datei
Varianten von J11008XP0 (37)
Alle Angaben ohne Gewähr. Bitte beachten Sie folgende Produkthinweise