Stehlager C-UCP207
Hauptabmessungen nach internationaler Norm
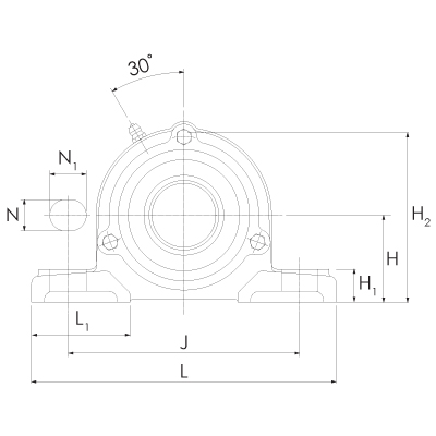
Hauptabmessungen für C-UCP207
| Bezeichnung | Abmessungen | Bemerkung |
|---|---|---|
| d | 35,00 mm | Wellendurchmesser |
| L | 167,00 mm | |
| L1 | 54,00 mm | |
| H | 47,60 mm | |
| H1 | 18,00 mm | |
| H2 | 93,00 mm | |
| A | 48,00 mm | |
| A5 | 80,00 mm | |
| N | 17,00 mm | |
| N1 | 20,00 mm | |
| B | 42,90 mm | |
| S | 17,50 mm | |
| t2 | 10,00 mm | |
| J | 127,00 mm |
Leistungsdaten für C-UCP207
| Bezeichnung | Abmessungen | Bemerkung |
|---|---|---|
| M14 | Befestigungsschrauben (nicht im Lieferumfang enthalten) | |
| 2,000 kg | Gewicht |
Weitere Größen für C-UCP207 Baureihe C-UCP200 (18)
| Bezeichnung | Abmessungen | Abschlussdeckel | Komponenten | ||||||||||||||||
|---|---|---|---|---|---|---|---|---|---|---|---|---|---|---|---|---|---|---|---|
| d | H | L | J | A | N | N1 | H1 | H2 | L1 | B | S | t1 | t2 | H3 | A4 | A5 | Gehäuse | Lager | |
| mm | mm | mm | mm | mm | mm | mm | mm | mm | mm | mm | mm | mm | mm | mm | mm | mm | |||
| C-UCP201 | 12,00 | 30,20 | 127,00 | 95,00 | 38,00 | 13,00 | 16,00 | 14,00 | 62,00 | 42,00 | 31,00 | 12,70 | - | 8,00 | - | - | 62,00 | GG.P203 | UC201 |
| C-UCP202 | 15,00 | 30,20 | 127,00 | 95,00 | 38,00 | 13,00 | 16,00 | 14,00 | 62,00 | 42,00 | 31,00 | 12,70 | - | 8,00 | - | - | 62,00 | GG.P203 | UC202 |
| C-UCP203 | 17,00 | 30,20 | 127,00 | 95,00 | 38,00 | 13,00 | 16,00 | 14,00 | 62,00 | 42,00 | 31,00 | 12,70 | - | 8,00 | - | - | 62,00 | GG.P203 | UC203 |
| C-UCP204 | 20,00 | 33,30 | 127,00 | 95,00 | 38,00 | 13,00 | 16,00 | 14,00 | 65,00 | 42,00 | 31,00 | 12,70 | - | 8,00 | - | - | 62,00 | GG.P204 | UC204 |
| C-UCP205 | 25,00 | 36,50 | 140,00 | 105,00 | 38,00 | 13,00 | 16,00 | 15,00 | 71,00 | 42,00 | 34,10 | 14,30 | - | 11,00 | - | - | 70,00 | GG.P205 | UC205 |
| C-UCP206 | 30,00 | 42,90 | 165,00 | 121,00 | 48,00 | 17,00 | 20,00 | 17,00 | 83,00 | 54,00 | 38,10 | 15,90 | - | 11,00 | - | - | 75,00 | GG.P206 | UC206 |
| C-UCP207 | 35,00 | 47,60 | 167,00 | 127,00 | 48,00 | 17,00 | 20,00 | 18,00 | 93,00 | 54,00 | 42,90 | 17,50 | - | 10,00 | - | - | 80,00 | GG.P207 | UC207 |
| C-UCP208 | 40,00 | 49,20 | 184,00 | 137,00 | 54,00 | 17,00 | 20,00 | 18,00 | 98,00 | 52,00 | 49,20 | 19,00 | - | 9,00 | - | - | 90,00 | GG.P208 | UC208 |
| C-UCP209 | 45,00 | 54,00 | 190,00 | 146,00 | 54,00 | 17,00 | 20,00 | 20,00 | 106,00 | 60,00 | 49,20 | 19,00 | - | 12,00 | - | - | 95,00 | GG.P209 | UC209 |
| C-UCP210 | 50,00 | 57,20 | 206,00 | 159,00 | 60,00 | 20,00 | 23,00 | 21,00 | 114,00 | 65,00 | 51,60 | 19,00 | - | 12,00 | - | - | 100,00 | GG.P210 | UC210 |
| C-UCP211 | 55,00 | 63,50 | 219,00 | 171,00 | 60,00 | 20,00 | 23,00 | 23,00 | 126,00 | 65,00 | 55,60 | 22,20 | - | 11,00 | - | - | 100,00 | GG.P211 | UC211 |
| C-UCP212 | 60,00 | 69,80 | 241,00 | 184,00 | 70,00 | 20,00 | 23,00 | 25,00 | 138,00 | 70,00 | 65,10 | 25,40 | - | 12,00 | - | - | 115,00 | GG.P212 | UC212 |
| C-UCP213 | 65,00 | 76,20 | 265,00 | 203,00 | 70,00 | 25,00 | 28,00 | 27,00 | 151,00 | 77,00 | 65,10 | 25,40 | - | 15,00 | - | - | 120,00 | GG.P213 | UC213 |
| C-UCP214 | 70,00 | 79,40 | 266,00 | 210,00 | 72,00 | 25,00 | 28,00 | 27,00 | 157,00 | 77,00 | 74,60 | 30,20 | - | 17,00 | - | - | 135,00 | GG.P214 | UC214 |
| C-UCP215 | 75,00 | 82,60 | 275,00 | 217,00 | 74,00 | 25,00 | 28,00 | 28,00 | 163,00 | 80,00 | 77,80 | 33,30 | - | 17,00 | - | - | 135,00 | GG.P215 | UC215 |
| C-UCP216 | 80,00 | 88,90 | 292,00 | 232,00 | 78,00 | 25,00 | 28,00 | 30,00 | 175,00 | 85,00 | 82,60 | 33,30 | - | 17,00 | - | - | 145,00 | GG.P216 | UC216 |
| C-UCP217 | 85,00 | 95,20 | 310,00 | 247,00 | 83,00 | 25,00 | 28,00 | 32,00 | 187,00 | 85,00 | 85,70 | 34,10 | - | 19,00 | - | - | 155,00 | GG.P217 | UC217 |
| C-UCP218 | 90,00 | 101,60 | 327,00 | 262,00 | 88,00 | 27,00 | 30,00 | 33,00 | 200,00 | 90,00 | 96,00 | 39,70 | - | 20,00 | - | - | 165,00 | GG.P218 | UC218 |
Varianten von C-UCP207 (7)
| Bezeichnung | Abmessungen | Abschlussdeckel | Komponenten | ||||||||||||||||
|---|---|---|---|---|---|---|---|---|---|---|---|---|---|---|---|---|---|---|---|
| d | H | L | J | A | N | N1 | H1 | H2 | L1 | B | S | t1 | t2 | H3 | A4 | A5 | Gehäuse | Lager | |
| mm | mm | mm | mm | mm | mm | mm | mm | mm | mm | mm | mm | mm | mm | mm | mm | mm | |||
| UCP207 | 35,00 | 47,60 | 167,00 | 127,00 | 48,00 | 17,00 | 20,00 | 18,00 | 93,00 | 54,00 | 42,90 | 17,50 | - | - | - | - | - | GG.P207 | UC207 |
| SUCSP207 | 35,00 | 47,60 | 167,00 | 127,00 | 48,00 | 17,00 | 20,00 | 18,00 | 93,00 | 54,00 | 42,90 | 17,50 | - | - | - | - | - | SP207 | SUC207 |
| SUCTP207 | 35,00 | 47,60 | 167,00 | 127,00 | 48,00 | 17,00 | 20,00 | 18,00 | 93,00 | 54,00 | 42,90 | 17,50 | - | - | - | - | - | TP207 | SUC207 |
| S-UCP207 | 35,00 | 47,60 | 167,00 | 127,00 | 48,00 | 17,00 | 20,00 | 18,00 | 93,00 | 54,00 | 42,90 | 17,50 | 8,00 | - | - | 72,00 | - | GG.P207 | UC207 |
| C-UCP207 | 35,00 | 47,60 | 167,00 | 127,00 | 48,00 | 17,00 | 20,00 | 18,00 | 93,00 | 54,00 | 42,90 | 17,50 | - | 10,00 | - | - | 80,00 | GG.P207 | UC207 |
| SM-UCP207 | 35,00 | 47,60 | 167,00 | 127,00 | 48,00 | 17,00 | 20,00 | 18,00 | 93,00 | 54,00 | 42,90 | 17,50 | 8,00 | - | - | 72,00 | - | GG.P207 | UC207 |
| CM-UCP207 | 35,00 | 47,60 | 167,00 | 127,00 | 48,00 | 17,00 | 20,00 | 18,00 | 93,00 | 54,00 | 42,90 | 17,50 | - | 10,00 | - | - | 80,00 | GG.P207 | UC207 |
Zubehör für C-UCP207 (0)
Es konnten keine weiteren Daten geladen werden.
Alternative Fabrikate für C-UCP207 (1)
| Bezeichnung | Fabrikat | Webshop | Bemerkung |
|---|---|---|---|
| C-UCP207 | HFH | Premium-Qualität, Hausmarke |
Eigenschaften für C-UCP207 (0)
Es konnten keine weiteren Daten geladen werden.
Für dieses Produkt ist ein 3D-Model verfügbar
Unsere 3D-Modelle dienen als visuelle Unterstützung und werden mit großer sorgfalt erstellt und die Angaben auf Richtigkeit überprüft. Für etwaige fehlerhafte oder unvollständige Angaben kann jedoch keine Haftung übernommen werden.
Die Herausgabe von Stepdateien ist ausschließlich Unternehmenskunden vorbehalten. Um eine Stepdatei anzufragen nutzen Sie bitte den Link für die Stepdatei-Anfrage.
3D WebGL
Step-Datei
Alle Angaben ohne Gewähr. Bitte beachten Sie folgende Produkthinweise