Přírubové ložisko OWF45T
Hlavní rozměry dle evropských norem
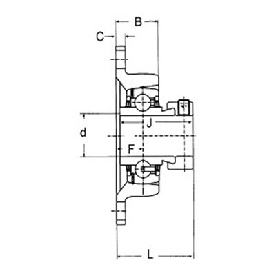
Hlavní rozměry pro OWF45T
| Označení | Dimenze | Poznámka |
|---|---|---|
| d | 45,00 mm | Průměr hřídele |
| L | 58,70 mm | |
| A | 180,00 mm | |
| B | 35,00 mm | Verze odlišná od standardní: 45,00 mm |
| J | 56,30 mm | |
| D | 111,00 mm | |
| E | 148,50 mm | |
| F | 23,90 mm | |
| C | 13,00 mm | |
| s | 13,50 mm |
Údaje o výkonu pro OWF45T
| Označení | Dimenze | Poznámka |
|---|---|---|
| 1,000 kg | Hmotnost |
Jiné velikosti OWF45T série OWFT (10)
| Označení | Dimenze | Komponenty | ||||||||||
|---|---|---|---|---|---|---|---|---|---|---|---|---|
| d | A | B | C | D | E | F | J | L | s | Bydlení | Ložisko | |
| mm | mm | mm | mm | mm | mm | mm | mm | mm | mm | |||
| OWF20T | 20,00 | 112,00 | 28,00 31,70 | 10,00 | 61,00 | 90,00 | 20,00 | 43,70 | 46,60 | 11,50 | GG.OWF04 | HC204R3 |
| OWF25T | 25,00 | 124,00 | 29,00 33,30 | 11,00 | 70,00 | 99,00 | 20,00 | 44,40 | 46,90 | 11,50 | GG.OWF05 | HC205R3 |
| OWF30T | 30,00 | 142,00 | 29,00 35,00 | 12,00 | 80,00 | 117,00 | 21,80 | 48,40 | 51,90 | 11,50 | GG.OWF06 | HC206R3 |
| OWF35T | 35,00 | 155,00 | 30,50 37,30 | 13,00 | 92,00 | 130,00 | 21,50 | 51,10 | 53,80 | 13,50 | GG.OWF07 | HC207R3 |
| OWF40T | 40,00 | 172,00 | 34,50 43,00 | 13,00 | 105,00 | 144,00 | 23,80 | 56,30 | 58,70 | 13,50 | GG.OWF08 | HC208R3 |
| OWF45T | 45,00 | 180,00 | 35,00 45,00 | 13,00 | 111,00 | 148,50 | 23,90 | 56,30 | 58,70 | 13,50 | GG.OWF09 | HC209R3 |
| OWF50T | 50,00 | 190,00 | 39,00 47,50 | 13,00 | 116,00 | 157,00 | 28,60 | 62,70 | 66,70 | 13,50 | GG.OWF10 | HC210R3 |
| OWF55T | 55,00 | 224,00 | 43,50 43,00 | 16,00 | 134,00 | 184,00 | 31,00 | 71,40 | 74,60 | 18,00 | GG.OWF11 | HC211R3 |
| OWF60T | 60,00 | 238,00 | 46,00 54,00 | 16,00 | 140,00 | 202,00 | 35,00 | 77,80 | 87,40 | 18,00 | GG.OWF12 | HC212R3 |
| OWF70T | 70,00 | 258,00 | 57,00 | 18,00 | 160,00 | 216,00 | 38,00 | 74,60 | 82,40 | 21,00 | GG.OWF14 | HC214R3 |
Varianty OWF45T (6)
| Označení | Dimenze | Komponenty | ||||||||||
|---|---|---|---|---|---|---|---|---|---|---|---|---|
| d | A | B | C | D | E | F | J | L | s | Bydlení | Ložisko | |
| mm | mm | mm | mm | mm | mm | mm | mm | mm | mm | |||
| OWF45 | 45,00 | 180,00 | 35,00 45,00 | 13,00 | 111,00 | 148,50 | 23,90 | 43,70 | 58,00 | 13,50 | GG.OWF09 | SA209 |
| OWF45U | 45,00 | 180,00 | 35,00 45,00 | 13,00 | 111,00 | 148,50 | 23,90 | 49,20 | 54,00 | 13,50 | GG.OWF09 | UC209 |
| OWF45A | 45,00 | 180,00 | 35,00 45,00 | 13,00 | 111,00 | 148,50 | 23,90 | 56,30 | 58,70 | 13,50 | GG.OWF09 | HC209 |
| OWF45T | 45,00 | 180,00 | 35,00 45,00 | 13,00 | 111,00 | 148,50 | 23,90 | 56,30 | 58,70 | 13,50 | GG.OWF09 | HC209R3 |
| OWF50K | 45,00 | 190,00 | 39,00 47,50 | 13,00 | 116,00 | 157,00 | 28,60 | 55,00 | - | 13,50 | GG.OWF10 | UK210 |
| OWF45S | 45,00 | 180,00 | 35,00 45,00 | 13,00 | 111,00 | 148,50 | 23,90 | 41,20 | 54,80 | 13,50 | GG.OWF09 | SB209 |
Příslušenství na OWF45T (0)
Nebylo možné načíst žádná další data.
Alternativní značky pro OWF45T (1)
| název | Značka | Webshop | Oznámení |
|---|---|---|---|
| OWF45T | HFH | Prémiová kvalita, značka domu |
Funkce produktu pro OWF45T (0)
Nebylo možné načíst žádná další data.
Für dieses Produkt ist ein 3D-Model verfügbar
Naše 3D modely slouží jako vizuální podpora a jsou vytvářeny s velkou péčí a informace jsou kontrolovány z hlediska přesnosti. Nelze však přijmout žádnou odpovědnost za nesprávné nebo neúplné informace. Vydání souborů kroků je vyhrazeno výhradně pro firemní zákazníky. Chcete -li požádat o soubor kroku, použijte odkaz požadavku na soubor krok.
3D WebGL
Nevlastní soubor
Všechna prohlášení bez záruky. Vezměte prosím na vědomí následující Informace o produktu